|
Tipos de válvula neumáticas
Introducción – Válvulas distribuidoras neumáticas
Las son los elementos encargados de dirigir el paso del aire
comprimido entre las distintas conexiones de un circuito, permitiendo establecer, interrumpir o invertir el flujo
hacia los actuadores.
Mediante sus diferentes configuraciones (2/2, 3/2, 4/2, 5/2, 4/3, etc.), estas válvulas determinan el sentido de
movimiento, arranque, parada y retorno de cilindros y motores neumáticos.
Pueden ser accionadas de forma manual, mecánica, neumática o electromagnética, y operar por sistemas de asiento o
corredera. Su correcto empleo es esencial para lograr secuencias automáticas, seguridad funcional y control preciso
en instalaciones neumáticas industriales.
Válvula distribuidora 2/2, cerrada en reposo, junta de bola

La bola es comprimida por un resorte contra su asiento y cierra el paso del aire de P hacia A. Al descender la leva,
la bola es separada de su asiento. Para ello debe vencerse la fuerza del muelle y la presión ejercida sobre la bola.
Estructura sencilla permite una construcción pequeña.
Válvula distribuidora 3/2, cerrada en reposo, junta de bola

La bola, empujada por el resorte, impide el paso de P hacia A; esta última se conecta, a través del taladro interno
de la leva, con R a la atmósfera.
Al accionarse la leva, se cierra primero el paso entre A y R, luego la bola permite el paso de P hacia A. Al efectuar
el movimiento inverso, primero se cerrará el paso P–A y finalmente se abrirá A–R.
La válvula trabaja sin interferencia de la alimentación con la purga de aire.
Válvula distribuidora 3/2, cerrada en reposo, junta de asiento plano

La característica de esta válvula es el plato comprimido por un resorte contra el asiento. Como fuerza de
estanqueidad adicional actúa la presión de aire comprimido.
Las válvulas de asiento plano se caracterizan por una gran sección transversal de paso y recorridos de accionamiento
cortos. Son insensibles a las impurezas (por tanto, larga duración de vida).
La válvula 3/2 vías cierra el paso de P y conecta A con R. Al descender la leva, se cierra primero el paso A–R y luego
se abre el P–A.
Aplicación: Mando de circuitos de simple efecto y como órgano de señal para accionamiento de válvulas pilotadas por
aire comprimido.
Válvula distribuidora 3/2, abierta en reposo, junta de asiento plano

En la posición de reposo está abierto el paso P–A, bloqueando el escape R.
Al oprimirse la leva, el plato cierra en primer lugar el paso P–A y el segundo plato, por el resalte del eje, abre
el conducto A–R.
Válvula distribuidora 3/2, accionamiento neumático
Esta válvula, cerrada en reposo, es accionada por aire comprimido en Z. La presión de P y el muelle mantienen el
paso cerrado.
La superficie del émbolo de mando debe estar dimensionada de manera que se asegure la inversión con seguridad a
igualdad de presiones en P y Z.
Válvula distribuidora 3/2, accionamiento neumático por membrana

Esta válvula efectúa el accionamiento por medio de una membrana; su gran superficie ofrece la posibilidad de
conmutación con presión en Z de 120 kPa (1,2 bar) y una presión de alimentación de 600 kPa (6 bar).
Mediante el cambio de P por R, la válvula puede emplearse como abierta en reposo.
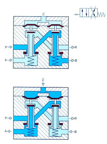
Válvula distribuidora 4/2, accionamiento neumático

Esta válvula, accionada por aire comprimido, posee dos émbolos de mando.
A través del émbolo izquierdo el paso A-R está abierto y a través del derecho se permite la conexión P-B.
Para el accionamiento de los émbolos de membrana se impulsa aire comprimido a través de Z.
La reposición se realiza después de la purga de Z, por medio de muelles de recuperación.
Las membranas, por su presión interna, recuperan la posición inicial.
Válvula 3/2, de mando electromagnético

Los electroimanes se emplean para el accionamiento de válvulas cuando la señal de mando proviene
de un elemento eléctrico, tales como finales de carrera, pulsadores, temporizadores, presostatos o PLC.
Sin excitación de la bobina, el núcleo cierra por efecto del muelle la conexión P y A es purgado por R.
Al energizarse el solenoide, la armadura es atraída hacia el interior, cerrando R y comunicando P con A.
La válvula no está libre de interferencias.
Válvula distribuidora 3/2 de rodillo, servo-pilotada

La fuerza de accionamiento necesaria para las válvulas de asiento aumenta con la presión de trabajo.
Esta fuerza puede reducirse intercalando una válvula previa 3/2 de menor diámetro nominal.
En el accionamiento, la válvula piloto abre el paso de P hacia la membrana del émbolo; ésta cierra A-R
y levanta el asiento, comunicando P con A.
La fuerza sobre el rodillo es de 1.8 N a 600 kPa. Puede transformarse en válvula normalmente abierta
invirtiendo el cabezal de pilotaje.
12. Válvula distribuidora 4/2, de mando electromagnético, servo-pilotada

El mando previo de la válvula 4/2 vías se realiza a través de otra 3/2 vías, accionada por el imán.
Los émbolos de mando de la unidad principal son impulsados por aire comprimido, mientras exista también tensión
en la bobina. Por medio del servo pilotaje se accionan válvulas de grandes pasos, gracias a electroimanes
relativamente pequeños.
Válvula distribuidora 5/2, accionamiento neumático

En esta válvula de asiento de membrana, todos los empalmes se cierran por asiento. Esta válvula es invertida
alternativamente por las entradas Z e Y. El émbolo de mando conserva, debido a la tensión de las membranas,
la posición de maniobra hasta que se dé una contraseñal. La válvula tiene características de memoria.
Válvula distribuidora 5/2, corredera
 directional control valve.jpg)
La característica de estas válvulas de corredera es el movimiento transversal del órgano de mando con respecto a la
dirección del medio a mandar. Pueden invertirse por cualquier clase de accionamiento. La fuerza de accionamiento
sólo tiene que vencer el rozamiento de los émbolos con el cuerpo. En válvulas de pilotaje neumático, el pilotaje
puede ser de valor más reducido que la presión de trabajo; sin embargo, el recorrido es mayor que en las válvulas
de asiento.

La hermetización de la compuerta con el cuerpo de la válvula puede efectuarse por ajuste exacto. El juego está
comprendido entre 0,002 y 0,004 mm, puesto que de lo contrario se producen grandes pérdidas por fugas.
En lugar de estos ajustes caros, se emplean para la hermetización juntas tóricas, con el fin de reducir el peligro
de deterioro de estos elementos de acoplamiento interiores. Están dispuestos pequeños taladros en el contorno del
orificio de salida.
Válvula distribuidora 4/2, cursor lateral

La inversión de esta válvula se realiza a través de impulsos neumáticos por los orificios Z e Y, por un émbolo doble
de mando.
Los conductos de trabajo A y B se enlazan por un cursor plano con el conducto de escape R. En caso de desgaste,
el cursor se reajusta automáticamente bajo el efecto del resorte incorporado y la presión aplicada; con ello se
asegura una larga duración.
Para la inversión basta un impulso en cualquiera de las dos conexiones Z o Y.
Válvula distribuidora 4/2, impulsos eléctricos, servo-pilotada

La inversión de la válvula de cursor plano se realiza por válvulas 3/2 vías accionadas por solenoides incorporados.
Al producirse la atracción del núcleo del imán, el pilotaje de aire realiza la conmutación, quedando en esta posición
hasta el siguiente impulso contrario.
Válvula distribuidora 3/2, de corredera
 directional control valve.jpg)
Esta válvula con reposición por muelle puede emplearse como órgano de señal para la inversión de válvulas de impulso.
- No accionada: P cerrado y A purgado hacia R.
- Accionada: P hacia A y R cerrado.
Válvula distribuidora 3/2, de corredera
 directional control valve1.jpg)
Esta sencilla válvula manual se emplea como válvula principal de cierre y purga en instalaciones neumáticas.
Después de desplazar el casquillo exterior hacia la izquierda del dibujo, el canal anular del casquillo enlaza P con A.
Después de la reposición del casquillo, P está cerrado y A está unido a R y, por tanto, la instalación queda purgada de aire.
Válvula distribuidora 4/3, de disco

Estas válvulas se fabrican generalmente para ser accionadas manualmente o por pedal. En la posición intermedia,
los conductos de trabajo están purgados de aire. El émbolo de un cilindro de doble efecto quedaría sin aire que lo
mantuviese en alguna posición fija, pudiendo entonces ser accionado exteriormente.
|