English  |
Español  |
| world (Heavy Equipment) |
Mundo |
| world -wide fallout ( electronics, computer science, nuclear energy ) |
(poso radiactivo universal, poso radiactivo retardado). (Véase DELAYED FALLOUT). |
| World Wide Web ( electronics, computer science, nuclear energy ) |
(telaraña global, triple ve, gua-gua-gua). Sistema basado en hipertexto para hallar y acceder a los recursos de Internet. |
| worldwide |
Mundial, global. |
| worldwide code of conduct (Heavy Equipment) |
Código global de conducta |
| worm |
Sin fin |
| worm ( electronics, computer science, nuclear energy ) |
(gusano). Programa independiente que se reproduce copiándose a sí mismo de un sistema a otro mientras se traslada por los ordenadores de una red; a diferencia de los virus, los gusanos no requieren participación humana para propagarse, aunque sus efectos son idénticos. |
| WORM ( electronics, computer science, nuclear energy ) |
(WORM). Siglas de «Write-Once, Read-Many», es decir, escribir una vez y leer muchas, descriptivas de una memoria que combina registro magnético y por láser en la que el usuario registra datos pero no puede modificarlos después. |
| worm ( Security - Malware - Networking ) |
(gusano). Programa informático que se autoduplica y autopropaga, normalmente escrito específicamente para redes, cuya definición fue formulada por primera vez por Shoch y Hupp, de Xerox, en "ACM Communications" (marzo de 1982), y cuyo ejemplo más famoso es el gusano de Internet de noviembre de 1988, que se propagó por sí solo a más de 6.000 sistemas a lo largo de la red. |
| worm and nut steering |
Dirección por tornillo sin fin y tuerca |
| worm bearing (Automotive) |
Balero sinfín, rodamiento sinfín |
| worm drive band type clamp (Heavy Equipment) |
Abrazadera de fleje del mando del sinfín |
| worm -drive hose clip |
Abrazadera sin fin para tubo |
| worm gear ( Automotive Electricity & Electronics - Vehicle Electrical Systems ) |
(engranaje de tornillo sin fin). Tipo de engranaje cuyos dientes se envuelven alrededor del vástago y cuyo movimiento es similar al de un perno o tornillo roscado. |
| worm gear (Automotive) |
Engranaje sinfín, engrane sinfín, tornillo sinfín.

Figura1 : Tornillo sinfín y engranaje
El tornillo sinfín transmite potencia y movimiento mediante una interacción entre un tornillo y un engranaje, logrando una gran reducción de velocidad.

Figura2 : La transmisión de tornillo sin fin tiene ejes perpendiculares y no intersecantes, en los cuales el tornillo sin fin actúa como un tornillo roscado. Varias revoluciones del tornillo sin fin arrastran la rueda a través de una sola revolución.
Funcionamiento:
- El tornillo gira y mueve el engranaje en contacto con él.
- La relación de reducción es alta, permitiendo un control de velocidad y torque elevado.
- Se usa en sistemas donde se necesita una gran relación de reducción con un diseño compacto.
Worm Gearing (Transmisión de Tornillo sin Fin)
Los conjuntos de engranajes de tornillo sin fin, como se muestra en la Figura2 , están compuestos por un tornillo sin fin (comparable a un piñón) que engrana con una rueda dentada, comúnmente llamada rueda helicoidal. El tornillo sin fin actúa como un tornillo roscado, donde varias de sus revoluciones hacen girar la rueda en una sola revolución. Gracias a este mecanismo, se pueden obtener relaciones de reducción de velocidad de hasta 60:1 o más en una sola etapa.
La mayoría de los tornillos sin fin tienen una forma cilíndrica con un diámetro de paso uniforme. Sin embargo, en los tornillos sin fin de doble envolvente, el diámetro de paso varía, siendo más estrecho en el centro y más ancho en los extremos. Esta configuración permite un contacto con más dientes de la rueda, aumentando la capacidad de carga del sistema.
En la mayoría de los sistemas de engranajes de tornillo sin fin, el tornillo sin fin es el elemento motriz. Sin embargo, existen versiones reversibles, donde las proporciones del tornillo y la rueda permiten que la rotación de la rueda también pueda hacer girar el tornillo.
Las ruedas helicoidales utilizadas en estos sistemas tienen dientes similares a los de un engranaje helicoidal, pero con las puntas curvadas hacia adentro para envolver el tornillo sin fin. Debido a esta disposición, el tornillo sin fin desliza más que rueda al accionar la rueda, lo que reduce la eficiencia en comparación con otros tipos de engranajes.
Uno de los principales beneficios de la transmisión de tornillo sin fin es su bajo desgaste, gracias a la película de lubricación que se forma entre las superficies de los dientes durante el deslizamiento. Este efecto se logra utilizando aceites de alta viscosidad, a menudo mezclados con aceites grasos o compuestos especiales para mejorar la resistencia a la fricción.
Además, la fricción en estos sistemas se reduce aún más mediante el uso de materiales con bajo coeficiente de fricción. Por ejemplo, la rueda helicoidal suele estar fabricada en bronce, mientras que el tornillo sin fin está hecho de acero endurecido altamente pulido. Esto permite una distribución uniforme de la presión sobre la superficie de los dientes, mejorando la durabilidad y el rendimiento.
Los ejes en los engranajes de tornillo sin fin son perpendiculares y no intersecantes, lo que permite múltiples configuraciones de montaje, adaptándose a diversas aplicaciones mecánicas.
Términos destacados:
Ángulo de avance ( Lead angle )
Ángulo de hélice ( Helix angle )
Autobloqueo ( Self-locking )
Coeficiente de fricción ( Coefficient of friction )
Contacto de deslizamiento ( Sliding contact )
Desmultiplicación ( Gear reduction )
Diámetro primitivo ( Pitch diameter )
Eficiencia mecánica ( Mechanical efficiency )
Engranaje de tornillo sin fin ( Worm gear )
Juego angular ( Backlash )
Lubricación extrema presión ( Extreme pressure lubrication )
Módulo normal ( Normal module )
Par de torsión ( Torque )
Piñón ( Pinion )
Relación de transmisión ( Gear ratio )
Rodamiento de empuje ( Thrust bearing )
Rosca múltiple ( Multi-thread )
Rosca simple ( Single-thread )
Tornillo sin fin ( Worm )
Velocidad de deslizamiento ( Sliding velocity )
Aplicaciones:
- Elevadores y montacargas: Regula la velocidad del ascenso y descenso de cargas.
- Accionamientos de válvulas: Controla el movimiento de apertura y cierre de válvulas de gran tamaño.
- Transmisiones en equipos industriales: Utilizado en maquinaria pesada para controlar la velocidad de los mecanismos.
|
| worm shaft (Automotive) |
Flecha sinfín, eje sinfín |
| worn (Automotive) |
Desgastado |
| worn out |
Desgastado |
| worth ( electronics, computer science, nuclear energy ) |
(valor). Cantidad de reactividad compensada por un determinado elemento. |
| wound rotor (electrical engineering, electric machines) |
(rotor bobinado). Rotor que posee devanados conectados a anillos rozantes, lo que permite insertar resistencias externas para mejorar las características de arranque y control del par del motor.

Figura : rotor bobinado |
| wow ( electronics, computer science, nuclear energy ) |
(gimoteo). En la técnica de registro y reproducción del sonido, efecto parásito de modulación de frecuencia que aparece en la señal registrada a causa de las variaciones lentas de la velocidad de desplazamiento del elemento en el que se hace el registro. |
| WPM ( electronics, computer science, nuclear energy ) |
(WPM). Abreviatura de palabras por minuto. |
| wreckage |
Escombros, chatarra; pedazo de nave naufragada; restos del naufragio que el mar arroja a la costa; restos de aeronave tras un accidente. |
| wrecker |
Demoledor, derribador; carro de grúa; salvador de buques, buque de salvamento (marina). |
| wrench |
Llave de tuercas, llave inglesa. |
| wrench (Heavy Equipment) |
Llave |
| wrinkle (Automotive) |
Arruga |
| wrinkling ( electronics, computer science, nuclear energy ) |
(arrugamiento). Deformación superficial que se produce en un sólido que carece de textura cristalina ordenada al ser sometido a irradiación, ya que en el interior del sólido cada grano no puede deformarse por estar impedido por los que lo rodean, mientras que en la superficie no existe este impedimento. |
| wrist pin (Automotive) |
Pasador del pistón, perno del pistón. Bulón |
| wrist pin (Heavy Equipment) |
Pasador de biela |
| wrist rest (Heavy Equipment) |
Posamuñecas |
| write ( electronics, computer science, nuclear energy ) |
(escribir). Imprimir o introducir información, normalmente en algún órgano de almacenamiento. |
| write -once optical disk ( electronics, computer science, nuclear energy ) |
(disco óptico de una escritura). Disco en blanco que es escrito por el usuario; para grabar datos, un potente rayo láser quema pequeños puntos en la capa que cubre el disco, los cuales no pueden borrarse posteriormente. También se denomina WORM o de lectura principalmente. |
| write -protect notch ( electronics, computer science, nuclear energy ) |
(muesca de protección contra escritura). Corte rectangular lateral en la cubierta de un disquete que evita cualquier modificación de la información contenida; en discos de 5¼ pulgadas se protege cubriendo la muesca con una etiqueta, mientras que en los de 3½ pulgadas la muesca abierta protege al disco y cubriéndola permite escribir en él. |
| write -protect ring ( electronics, computer science, nuclear energy ) |
(anillo de protección contra la escritura). Anillo de plástico utilizado en una cinta magnética para impedir que se puedan escribir datos en ella. |
| write time ( electronics, computer science, nuclear energy ) |
(tiempo de escritura). Intervalo de tiempo entre el instante en que comienza la transcripción a un dispositivo de almacenamiento y el instante en que termina. |
| write -up ( electronics, computer science, nuclear energy ) |
(documentación de programa). Conjunto de documentos necesarios para la utilización de un programa. |
| writing rate ( electronics, computer science, nuclear energy ) |
(velocidad de escritura). (Véase WRITING SPEED). |
| writing speed ( electronics, computer science, nuclear energy ) |
(velocidad de escritura). En tubos de almacenamiento de carga, velocidad a la que se escribe sobre los sucesivos elementos de almacenamiento. |
| wrong (Automotive) |
Incorrecto |
| wrought (Heavy Equipment) |
Pudelado |
| wrought metal (Heavy Equipment) |
Metal pudelado |
| WS (windshield) |
Parabrisas. Radomo aerodinámico (radar de aeronave). |
| WV (wind velocity) |
Velocidad (intensidad) del viento. |
| WW (wheel well) |
Alojamiento de las ruedas (aviación). |
| WWW ( electronics, computer science, nuclear energy ) |
(WWW). (Véase WORLD WIDE WEB). |
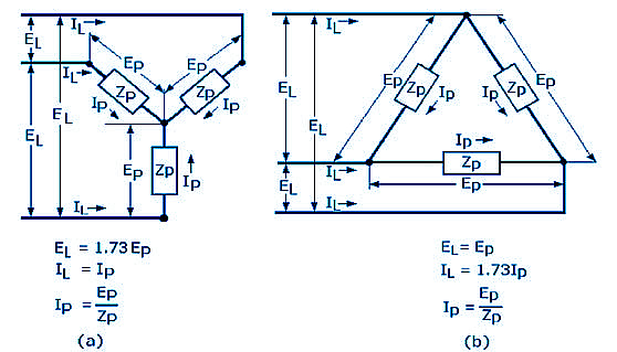
| wye (star) connection ( Aircraft Electrical Power Generation Systems - Aviation Electrical Systems ) |
(conexión en Y o estrella). Conexión trifásica con punto común; puede sacar neutro para tensiones fase-neutro.

Fig: Conexiones trifásicas para una carga o fuente: (a) estrella (Y); (b) delta (Δ). |
| wye connection ( Automotive Electricity & Electronics - Vehicle Electrical Systems ) |
(conexión Y). Tipo de devanado del estátor en el cual un extremo de los devanados individuales se conecta a un punto común, de modo que la estructura se asemeja a la letra “Y”. |
| wye connection (electrical engineering, power systems) |
(conexión estrella). Método de conexión de devanados trifásicos en el que un extremo de cada bobina se une a un punto común, utilizado en motores y sistemas de potencia para obtener diferentes niveles de tensión y corriente. |
| wye connection (Heavy Equipment) |
Conexión en estrella |
| wye connection (three-phase systems) |
(conexión estrella). Conexión trifásica con un punto común entre las cargas o fuentes (Y). |
| Wye junction ( electronics, computer science, nuclear energy ) |
(unión en Y). Unión de guías de ondas en la que los ejes longitudinales forman una configuración en forma de Y. |
| WYSIWYG ( electronics, computer science, nuclear energy ) |
(WYSIWYG). (Véase WHAT YOU SEE IS WHAT YOU GET). |