English  |
Español  |
| delay (electronics, computer science, nuclear energy) |
(retardo). Tiempo que transcurre entre la aplicación de una señal a la entrada de un sistema y la aparición de la respuesta en la salida. Generalmente, la definición debe completarse con un convenio que permita fijar los instantes iniciales de las señales en la entrada y en la salida. Demora, retraso. |
| delay circuit (electronics, computer science, nuclear energy) |
(circuito de retardo). Circuito electrónico en el que, como consecuencia de la aplicación de un impulso que actúa como disparador, se inicia un proceso que da lugar a la generación de un intervalo de tiempo determinado por los parámetros del montaje. |
| delay distortion (electronics, computer science, nuclear energy) |
(distorsión de retardo). Distorsión que tiene lugar cuando la velocidad de variación de la fase con la frecuencia, de un circuito o sistema no es constante sobre la gama de frecuencias requerida para la transmisión. |
| delay equalizer (electronics, computer science, nuclear energy) |
(igualador de retardo). Red correctora destinada a hacer el retardo de fase o el retardo de envolvente, de un circuito o sistema, esencialmente constante sobre un cierto margen de frecuencia. |
| delay line (electronics, computer science, nuclear energy) |
(línea de retardo). Elemento eléctrico de dos pares de terminales, proyectado y utilizado con el fin de obtener un retardo determinado entre una señal aplicada a la entrada y la respuesta, provocada por ella, en la salida, y que contiene una estructura en la que la señal se propaga en forma de onda electromagnética o mecánica. |
| delay -line canceler (electronics, computer science, nuclear energy) |
(cancelador de línea de retardo). Dispositivo que utiliza una línea de retardo para extraer la información Doppler en un radar indicador de blancos móviles, en forma apropiada para su representación en la pantalla de un indicador panorámico. El cancelador de línea de retardo actúa como un filtro para eliminar la componente de corriente continua de los blancos fijos y dejar pasar la componente alterna de los blancos móviles. |
| delay line memory (electronics, computer science, nuclear energy) |
(memoria de línea de retardo). (Véase MEMORY, DELAY LINE). |
| delay -line storage (electronics, computer science, nuclear energy) |
(almacenamiento de línea de retardo). Dispositivo de almacenamiento o memoria, consistente en una línea de retardo y medios para regenerar e insertar información en dicha línea. |
| delay system (electronics, computer science, nuclear energy) |
(sistema de retardo). En tecnología nuclear, dispositivo que se utiliza para retardar la descarga de un desecho radiactivo, a fin de que su actividad sea menor. |
| delay tank (electronics, computer science, nuclear energy) |
(depósito de desactivación). (Véase DECAY TANK). |
| delay time |
Tiempo de demora |
| delay time sequence |
Secuencia del tiempo de demora |
| delay time switch |
Interruptor de tiempo de demora |
| delay timer assembly |
Conjunto de cronómetro de demora |
| delay unit (electronics, computer science, nuclear energy) |
(unidad de retardo, elemento de retardo). Elemento funcional destinado a introducir un retardo de tiempo determinado, entre el impulso de entrada a ella aplicado y el de salida correspondiente. |
| delayed coincidence (electronics, computer science, nuclear energy) |
(coincidencia retardada). Producción en dos detectores, asociados a un selector de coincidencias, de señales separadas por un corto intervalo de tiempo previamente determinado. |
| delayed coincidence selector (electronics, computer science, nuclear energy) |
(selector de coincidencias diferidas). (Véase COINCIDENCE SELECTOR, DELAYED). |
| delayed Cracking |
Fisuras retrasadas |
| delayed critical (electronics, computer science, nuclear energy) |
(crítico diferido, crítico con neutrones retardados). Equivale simplemente a crítico, pero se utiliza para remarcar el hecho de que los neutrones retardados son necesarios para alcanzar la criticidad. |
| delayed fallout (electronics, computer science, nuclear energy) |
(poso radiactivo retardado, poso radiactivo universal). Poso radiactivo consistente en las partículas más pequeñas que ascienden a la troposfera y a la estratosfera, y que son transportadas por los vientos a todas partes de la Tierra. El poso retardado es llevado a tierra principalmente por la lluvia y la nieve, a lo largo de extensos periodos que abarcan desde meses a años. |
| delayed gamma radiation (electronics, computer science, nuclear energy) |
(radiación gamma diferida). Radiación gamma emitida por los fragmentos de fisión. |
| delayed neutron failed element monitor (electronics, computer science, nuclear energy) |
(monitor de rotura de vaina por detección de neutrones retardados). Monitor de rotura de vaina que utiliza la detección de neutrones retardados, emitidos por ciertos productos de fisión, arrastrados por el fluido de refrigeración. |
| delayed neutron fraction (electronics, computer science, nuclear energy) |
(fracción de neutrones retardados). Relación entre el número medio de neutrones retardados y el número medio total de los neutrones (instantáneos + retardados) emitidos por fisión. |
| delayed neutron precursor (electronics, computer science, nuclear energy) |
(precursor de neutrones retardados). Producto de fisión cuyos núcleos sufren una desintegración beta, seguida de una emisión de neutrones. |
| delayed neutrons (electronics, computer science, nuclear energy) |
(neutrones retardados). Neutrones emitidos por núcleos en estado excitado, que se han formado en el curso de la desintegración beta de productos de fisión. La emisión de neutrones en sí misma es instantánea, de forma que el retardo observado corresponde, en realidad, a la emisión o emisiones beta anteriores. |
| delayed sweep (electronics, computer science, nuclear energy) |
(barrido retardado). Barrido producido sobre la pantalla de un tubo de rayos catódicos, cuyo comienzo no tiene lugar hasta un cierto tiempo después de recibirse el impulso de disparo. |
| delete character (electronics, computer science, nuclear energy) |
(carácter de obliteración). Carácter de control empleado principalmente para suprimir todo carácter erróneo o indeseable. Este carácter no comprende más que unos. |
| delete key (electronics, computer science, nuclear energy) |
(tecla de borrado). Tecla que elimina un carácter de la pantalla de un tubo de rayos catódicos y mueve todos los caracteres siguientes en la línea una posición hacia la izquierda. |
| Delft ware ( Ceramics - Materials - Manufacturing ) |
(artículos Delft). Pasta blanda. |
| delimiter (electronics, computer science, nuclear energy) |
(delimitador). Carácter que separa y organiza elementos de un programa. |
| deliver, to (Automotive) |
Suministrar / Entregar |
| delivery |
Entrega |
| delivery (Automotive) |
Caudal |
| delivery line |
Tubería de suministro |
| delivery pipe (Automotive) |
Tubo de descarga |
| delivery pressure ( Types of Hydraulic Pumps ) |
(presión de entrega). Presión disponible en la salida de la bomba para alimentar el circuito hidráulico. |
| delivery valve (Automotive) |
Válvula de suministro / Válvula de entrega |
| Delta 28 (electronics, computer science, nuclear energy) |
(Delta 28). Con referencia a un determinado combustible de uranio y un cierto espectro de neutrones, relación entre el número total de fisiones en el U-238 y el número de fisiones causadas por los neutrones térmicos. En la práctica, Delta 28 se suele considerar igual a la relación entre el número de fisiones en el U-238 y el número total de fisiones en el U-235. |
| delta -connected stator ( Alternators and Electrical Power Systems ) |
(estator conectado en delta). Conexión trifásica sin neutro; se usa en alternadores de alta salida según el diseño del fabricante. |
| delta connection (Automotive) |
Conexión en triángulo (delta) |
| delta connection ( electrical engineering – three-phase connections ) |
(conexión en triángulo, delta Δ). Conexión cerrada en la que cada fase se une con la siguiente formando un triángulo; no existe punto neutro.
Conexiones trifásicas de transformadores (Three-phase transformer connections)
Damos una introducción sobre las conexiones en transformadores Y, Delta, Delta abierta y conexión en T, destacando sus aplicaciones, ventajas y limitaciones en sistemas trifásicos. (The text explains Y, Delta, Open-Delta, and T connections, highlighting their applications, advantages, and limitations in three-phase systems.)
Imágenes
- Conexiones de transformadores. (Transformer connections.)
- Conexión en Y (Fig. A). (Y connection.)
- Conexión en delta (Fig. B). (Delta connection.)
- Conexión delta abierta (Fig. C). (Open-delta connection.)
- Conexión en T (Fig. D). (T connection.)
- Dirección de rotación fasorial. (Direction of phasor rotation.)
- N neutro. (N – neutral.)
- Tensiones entre líneas V(AB), V(BC), V(CA). (Line-to-line voltages V(AB), V(BC), V(CA).)
- s = extremo de inicio; f = extremo final. (s = start end; f = finish end.)
- Salida total = √3 kVA por fase. (Total output = √3 kVA per phase.)
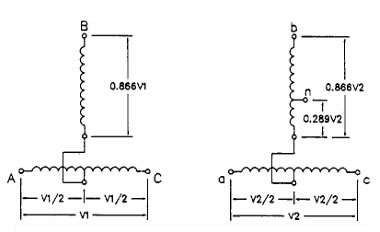
- Relaciones de tensión en conexión T: 0.866 V1, 0.866 V2, 0.289 V2. (Voltage ratios in T connection: 0.866 V1, 0.866 V2, 0.289 V2.)
- Conexión Scott. (Scott connection.)
- Regulación. (Regulation.)

Fig. A
- . (Y connection / star connection.)
- Punto neutro N (neutral). (Neutral point N.)
- Fases A, B, C. (Phases A, B, C.)
- Tensión de fase Va = V∠0°. (Phase voltage Va = V∠0°.)
- Tensión de fase Vb = V∠120°. (Phase voltage Vb = V∠120°.)
- Tensión de fase Vc = V∠−120°. (Phase voltage Vc = V∠−120°.)
- Dirección de rotación fasorial. (Direction of phasor rotation.)
- Tensiones fase-neutro VaN, VbN, VcN. (Phase-to-neutral voltages VaN, VbN, VcN.)

Fig. B
- . (Delta connection.)
- Tensión entre líneas V(AB) = VL∠−120°. (Line-to-line voltage V(AB) = VL∠−120°.)
- Tensión entre líneas V(BC) = VL∠+120°. (Line-to-line voltage V(BC) = VL∠+120°.)
- Tensión entre líneas V(CA) = VL∠0°. (Line-to-line voltage V(CA) = VL∠0°.)
- Bornes (fases) A, B, C. (Terminals/phases A, B, C.)
- s = extremo de inicio. (s = start end.)
- f = extremo final. (f = finish end.)

Fig. C
- . (Open-delta connection.)
- Fases A, B, C. (Phases A, B, C.)
- Fase 1 y fase 3. (Phase 1 and Phase 3.)
- s = extremo de inicio. (s = start end.)
- f = extremo final. (f = finish end.)
- Salida total. (Total output.)
- Potencia aparente por fase. (kVA per phase.)

Fig. D
- . (T connection.)
- Fases A, B, C. (Phases A, B, C.)
- Tensión total V1. (Total voltage V1.)
- Tensión total V2. (Total voltage V2.)
- Mitad de tensión V1/2. (Half voltage V1/2.)
- Mitad de tensión V2/2. (Half voltage V2/2.)
- Tensión inducida 0.866 V1. (Induced voltage 0.866 V1.)
- Tensión inducida 0.866 V2. (Induced voltage 0.866 V2.)
- Tensión de toma intermedia 0.289 V2. (Intermediate tap voltage 0.289 V2.)
- Bornes a, b, c. (Terminals a, b, c.)
Resumen de conceptos (Concept summary)
Un transformador monofásico posee un devanado primario y uno secundario, mientras que un transformador trifásico (o un banco de transformadores) utiliza
tres devanados por lado, que pueden conectarse de distintas formas para adaptarse a la red y a la carga. En la conexión Y (estrella),
un extremo de cada devanado se une en un punto común llamado neutro, que suele conectarse a tierra. Esto limita sobretensiones transitorias
(por rayos o maniobras) y permite alimentar cargas monofásicas fase–neutro además de cargas trifásicas. En Y, cada devanado debe soportar la corriente de línea,
y la tensión de fase es menor que la de línea. (A single-phase transformer has one primary and one secondary winding, while a three-phase transformer (or a transformer bank) uses three windings per side,
which can be interconnected to match the system and load. In the Y (star) connection, one end of each winding is tied together to form a neutral point, typically grounded. This helps limit transient overvoltages (lightning/switching) and allows phase-to-neutral single-phase loads
in addition to three-phase loads. In Y, each winding must carry line current, and phase voltage is lower than line voltage.)
En la conexión Delta, los devanados se unen formando un triángulo cerrado. Esta conexión tiende a equilibrar cargas desbalanceadas y no requiere
neutro; además, puede ayudar a “encerrar” ciertas componentes armónicas en el lazo delta. En la delta abierta, se emplean sólo dos transformadores
para suministrar potencia trifásica, útil como solución económica o de emergencia si falla una unidad; su desventaja es la regulación desigual de
las fases y una capacidad total reducida. La conexión en T permite transformación trifásica con dos transformadores monofásicos especiales,
usando relaciones como 0.866·V y tomas intermedias; una aplicación relacionada es la conexión Scott, que convierte potencia trifásica a bifásica
para cargas específicas (hornos eléctricos, motores de dos fases). (In the Delta connection, windings are connected end-to-end in a closed triangle. Delta tends to balance unbalanced loads and does not require a
neutral; it can also provide a circulating path that traps certain harmonic components. In the Open-Delta, only two transformers are used to
supply three-phase power—an economical or emergency arrangement if one unit fails—but its drawback is unequal phase regulation and reduced total
capacity. The T connection enables three-phase transformation using two specially configured single-phase transformers, using relations such as
0.866·V and intermediate taps; a related application is the Scott connection, which converts three-phase power to two-phase for specific loads
(electric furnaces, two-phase motors).)
Conceptos relacionados :
- Rigidez dieléctrica: Gradiente de tensión al cual las moléculas del medio se rompen, permitiendo el paso de niveles dañinos de corriente eléctrica. (Breakdown strength: Voltage gradient at which the molecules of the medium break down to allow passage of damaging levels of electric current.)
- Dieléctrico: Sustancia sólida, líquida o gaseosa que actúa como aislante frente al flujo de corriente eléctrica. (Dielectric: Solid, liquid, or gaseous substance that acts as an insulation to the flow of electric current.)
- Frecuencia armónica: Múltiplos enteros de la frecuencia fundamental. Por ejemplo, con una alimentación de 60 Hz, las armónicas son 120, 180, 240, 300, etc. (Harmonic frequency: Integral multiples of fundamental frequency. For example, for a 60-Hz supply the harmonic frequencies are 120, 180, 240, 300, . . .)
- Campo magnético: Campo de fuerzas magnéticas en el cual existen líneas de magnetismo. (Magnetic field: Magnetic force field where lines of magnetism exist.)
- Flujo magnético: Término que describe las líneas de magnetismo. (Magnetic flux: Term for lines of magnetism.)
- Regulación: Cambio de tensión desde vacío hasta plena carga, expresado como porcentaje de la tensión a plena carga. (Regulation: The change in voltage from no-load to full-load expressed as a percentage of full-load voltage.)
|
| delta connection (electrical engineering, power systems) |
(conexión delta). Configuración de conexión de devanados trifásicos en forma de triángulo cerrado, utilizada para alimentar motores y equipos eléctricos con corriente trifásica. |
| delta connection (Δ) ( electrical engineering – power systems ) |
(conexión triángulo). Conexión cerrada de tres fases formando un triángulo, sin neutro. |
| delta connection (Δ) (Circuit Analysis) |
(conexión triángulo, delta). Configuración de resistencias interconectadas en forma triangular, equivalente a un circuito pi. |
| delta connection (Δ) (Circuit Analysis, Resistive Networks) |
(conexión triángulo). Interconexión de resistencias dispuestas en forma triangular, equivalente a una red pi. |
| delta connection (Δ) (Electric Motors / Three-phase Systems ) |
(conexión triángulo). Configuración donde cada fase se conecta con la siguiente formando un circuito cerrado en forma de triángulo. |
| delta connection (three-phase systems) |
(conexión triángulo). Conexión trifásica en la que las cargas o fuentes se conectan extremo a extremo formando un lazo cerrado (Δ). |
| delta function (electronics, computer science, nuclear energy) |
(función delta). Elipsis de función delta de Dirac. |
| delta modulation (data conversion, signal processing) |
(modulación delta). A/D donde el código representa el cambio (pendiente) de la señal analógica; la tasa depende de la derivada. |
| delta network (electronics, computer science, nuclear energy) |
(red en delta). Conjunto de tres ramas conectadas en serie formando una malla. |
| delta plutonium (electronics, computer science, nuclear energy) |
(plutonio delta). Variedad alotrópica del plutonio metálico que posee una estructura cúbica centrada en las caras. Es estable entre 320 °C y 450 °C, aproximadamente. |
| delta -prime plutonium (electronics, computer science, nuclear energy) |
(plutonio delta prima). Variedad alotrópica del plutonio metálico que posee una estructura tetragonal centrada. Es estable entre 450 °C y 458 °C, aproximadamente. |
| delta ray (electronics, computer science, nuclear energy) |
(rayo delta). Electrón expulsado de un átomo por una partícula ionizante y dotado de energía suficiente para producir iones. |
| delta ray counting (electronics, computer science, nuclear energy) |
(cuenta de los rayos delta). En la técnica de las emulsiones fotográficas, método de determinación de la carga de una partícula mediante la cuenta del número de trazas de electrones secundarios (rayos delta) que se separan de la traza principal de la partícula. |
| delta -star transformation (Circuit Analysis) |
(transformación triángulo-estrella). Conversión de un circuito en delta a otro en estrella eléctricamente equivalente. |
| delta -star transformation (Circuit Analysis, Resistive Networks) |
(transformación triángulo-estrella). Conversión de una red delta en una red estrella eléctricamente equivalente. |
| delta -T |
Delta en T |
| delta transformer ( Refrigeration and HVAC Components - Thermodynamic and Physical Concepts - Measuring Instruments and Control Devices ) |
TRANSFORMADOR DELTA: Transformador eléctrico trifásico que tiene puntas de tres devanados conectadas eléctricamente formando un triángulo. |
| delta wave (electronics, computer science, nuclear energy) |
(onda delta). Frecuencias más bajas inferiores a 10 ciclos por segundo en el espectro de frecuencias de una onda del cerebro. |
| deluxe |
Deluxe |
| demagnetization factor (electronics, computer science, nuclear energy) |
(factor desmagnetizante). Factor por el que es preciso multiplicar la intensidad media de imantación de una barra ferromagnética colocada en un campo uniforme, para obtener el valor del campo desmagnetizante. |
| demagnetize (electronics, computer science, nuclear energy) |
(desimanar, desimantar, desmagnetizar). Restituir al estado neutro un cuerpo ferromagnético imantado. |
| demagnetize, to (Automotive) |
Remover el magnetismo |
| demagnetized (Automotive) |
Desmagnetizados |
| demagnetizing current (electronics, computer science, nuclear energy) |
(corriente desmagnetizante). Corriente que circula en un arrollamiento y que produce un flujo magnético opuesto al flujo útil. |
| demagnetizing field (electronics, computer science, nuclear energy) |
(campo desmagnetizante). Campo interior de un imán de dirección generalmente opuesta a la de la inducción, y resultante de la distribución de las masas magnéticas de este imán. |
| demagnetizing field (electronics, computer science, nuclear energy) |
(campo desmagnetizante). Campo magnético que tiende a reducir o a anular la magnetización de un material ferromagnético. |