English  |
Español  |
| recoil |
Retroceso, reacción, culatazo. |
| recoil ( electronics, computer science, nuclear energy ) |
(retroceso). En una reacción nuclear o en una desintegración radiactiva, movimiento del más pesado de los fragmentos resultantes, al alejarse del centro de masas. |
| recoil electron ( electronics, computer science, nuclear energy ) |
(electrón de retroceso). (Véase COMPTON ELECTRÓN). |
| recoil nucleus ( electronics, computer science, nuclear energy ) |
(núcleo de retroceso). Núcleo que, a consecuencia de una reacción nuclear o de una emisión radiactiva, está dotado de una energía cinética debida a esta reacción o a esta emisión. |
| recoil particle ( electronics, computer science, nuclear energy ) |
(partícula de retroceso). Partícula en movimiento a consecuencia de una colisión o de la expulsión de otra partícula. |
| recoil particle detector ( electronics, computer science, nuclear energy ) |
(detector por retroceso). (Véase DETECTOR. RECOIL PARTICLE). |
| recoil proton counter tube ( electronics, computer science, nuclear energy ) |
(tubo contador de protones de retroceso). (Véase COUNTER TUBE, RECOIL PROTÓN). |
| recoil proton ionization chamber ( electronics, computer science, nuclear energy ) |
(cámara de ionización de protones de retroceso). (Véase IONIZATION CHAMBER, RECOIL PROTÓN). |
| recoil spring |
Resorte tensor |
| recoil spring assembly |
Conjunto de resorte tensor |
| recombination ( electronics, computer science, nuclear energy ) |
(recombinación). Captura de un electrón o de un ion negativo, por un ion positivo, con neutralización de carga. |
| recombination coefficient ( electronics, computer science, nuclear energy ) |
(coeficiente de recombinación). Cociente de la velocidad de recombinación por el cuadrado de la concentración de los iones que se combinan. |
| recombination rate ( electronics, computer science, nuclear energy ) |
(velocidad de recombinación). Velocidad de disminución en el tiempo de los iones, positivos o negativos, en un gas ionizado. |
| recombination velocity ( electronics, computer science, nuclear energy ) |
(velocidad de recombinación). Relación entre la componente normal a la superficie de un semiconductor de la densidad de corriente de electrones (o de huecos), y la densidad de carga superficial del exceso de electrones (o de huecos). |
| recombiner ( electronics, computer science, nuclear energy ) |
(recombinador). En tecnología nuclear, dispositivo o sistema que se utiliza para combinar el hidrógeno y el oxígeno que se forman en la radiolisis del agua. |
| recondition, to (v) (Automotive) |
Restaurar, reparar |
| reconditioned part (Automotive) |
Parte reacondicionada |
| record ( electronics, computer science, nuclear energy ) |
(registro). Conjunto de elementos de datos, llamados campos, tratados como una unidad. Por ejemplo, una compañía puede almacenar información sobre cada empleado en un solo registro, consistente en un campo para representar el nombre, otro para representar el número del DNI, etc. |
| record ( electronics, computer science, nuclear energy ) |
(registrar). En ordenadores, escribir una información en una memoria. |
| record cell ( electronics, computer science, nuclear energy ) |
(celda de registro). Área de longitud fija, en un fichero, que puede contener un registro. |
| record condition ( electronics, computer science, nuclear energy ) |
(condición de registro). Conjunción de dos o más condiciones de elementos tales que el nombre de los elementos de datos en cada condición es distinto; por ejemplo, APELLIDO = Pérez y SEXO = masculino. |
| record format ( electronics, computer science, nuclear energy ) |
(formato de registro). Disposición definida de registros en un fichero, especificando si son de longitud fija o variable, en bloques o no. |
| record layout ( electronics, computer science, nuclear energy ) |
(composición de registro). Disposición definida de los campos en un registro. |
| record length ( electronics, computer science, nuclear energy ) |
(longitud de registro). Número de octetos (o de caracteres) contenidos en un registro. |
| record location data |
Datos de ubicación de registros |
| recording ( electronics, computer science, nuclear energy ) |
(grabación). Proceso de registrar, por procedimientos magnéticos, mecánicos, gráficos o fotográficos, corrientes o voltajes en diversos medios.

Fig: termómetro registrador

Fig: Gráfico de variaciones diarias de temperatura |
| recording ammeter ( Refrigeration and HVAC Components - Thermodynamic and Physical Concepts - Measuring Instruments and Control Devices ) |
AMPERÍMETRO REGISTRADOR: Instrumento eléctrico que se usa para registrar gráficamente, sobre una carta de papel móvil, la cantidad de flujo de corriente. |
| recording channel ( electronics, computer science, nuclear energy ) |
(canal de grabación). Uno de entre un cierto número de grabadores independientes, en un sistema de grabación o de pistas independientes, en un medio de grabación. |
| recording instrument ( electronics, computer science, nuclear energy ) |
(aparato registrador). Aparato que produce el registro gráfico de una o más variables en función de otra, que suele ser el tiempo. |
| recording loss ( electronics, computer science, nuclear energy ) |
(pérdida de grabación). En grabación mecánica, pérdida en el nivel de grabación por la cual la amplitud de la onda en el medio de grabación difiere de la amplitud que se ha desplazado la aguja grabadora. |
| recording medium ( electronics, computer science, nuclear energy ) |
(medio de registro, soporte de registro). (Véase RECORDING SUPPORT). |
| recording spot ( electronics, computer science, nuclear energy ) |
(punto de registro, punto de grabación). En transmisión de facsímil, área de la imagen formada en el medio de grabación por el registrador de facsímil. |
| recording stylus ( electronics, computer science, nuclear energy ) |
(aguja de grabación). Punta que inscribe el surco en un medio de grabación. |
| recording support ( electronics, computer science, nuclear energy ) |
(soporte de registro). Todo medio material destinado al registro de informaciones. |
| recording thermometer ( Refrigeration and HVAC Components - Thermodynamic and Physical Concepts - Measuring Instruments and Control Devices ) |
TERMÓMETRO REGISTRADOR: Instrumento para medir temperaturas, el cual tiene una plumilla marcando sobre una gráfica móvil. |
| recover, to (Automotive) |
Recuperar |
| recoverable error ( electronics, computer science, nuclear energy ) |
(error recuperable). Error que las rutinas de recuperación son capaces de corregir o que no causa la parada de la ejecución de un programa; por ejemplo, un error de redondeo. |
| recovery ( electronics, computer science, nuclear energy ) |
(restauración). Disminución de una radiolesión por un tratamiento posterior a la exposición a las radiaciones. |
| recovery from fall-back ( electronics, computer science, nuclear energy ) |
(recuperación tras un modo de funcionamiento parcial). En sistemas de ordenadores, remisión del sistema a su situación anterior, tras haber adoptado un modo de funcionamiento parcial, al cesar la causa que originó este funcionamiento. |
| recovery from spin |
Salida de barrena (aviación). |
| recovery process ( electronics, computer science, nuclear energy ) |
(reelaboración). (Véase REPROCESSING). |
| recovery rate ( electronics, computer science, nuclear energy ) |
(velocidad de restauración). Velocidad a la que se produce la restauración de los tejidos tras una radiolesión. |
| recovery routine ( electronics, computer science, nuclear energy ) |
(rutina de recuperación). Rutina que trata de corregir un error que se haya producido y reemprender la ejecución del programa. |
| recovery time ( electronics, computer science, nuclear energy ) |
(tiempo de recuperación). Intervalo de tiempo que debe transcurrir tras un impulso antes de que pueda obtenerse de nuevo un impulso de tamaño no reducido, en un contador. || En una fuente de alimentación, intervalo entre el instante en que se produce un cambio abrupto en la corriente de carga del 25% del valor nominal y el instante en que el voltaje de salida recupera su valor nominal y permanece en él; la variación de la carga ha de ser a partir de un valor del 50% del nominal. |
| recrystallization temperature |
Temperatura de recristalización |
| rectangular hysteresis loop ( electronics, computer science, nuclear energy ) |
(lazo de histéresis rectangular). Lazo de histéresis en el que las partes de la curva correspondientes a la saturación son aproximadamente horizontales, y casi verticales las correspondientes a la no saturación. |
| rectangular pulse ( electronics, computer science, nuclear energy ) |
(impulso rectangular). (Véase PULSE, RECTANGULAR). |
| rectangular scanning ( electronics, computer science, nuclear energy ) |
(exploración rectangular). Sector de exploración bidimensional en el que se superpone un sector lento de exploración rápida en dirección perpendicular a la anterior. |
| rectification ( Aircraft Electrical Power Generation Systems - Aviation Electrical Systems ) |
(rectificación). Conversión de corriente alterna en corriente continua mediante diodos. |
| rectification ( Automotive Electricity & Electronics - Vehicle Electrical Systems ) |
(rectificación). Proceso mediante el cual la corriente alterna se transforma en corriente continua. |
| rectification ( electronics, computer science, nuclear energy ) |
(rectificación). Acción o efecto de convertir una corriente alterna en otra unidireccional, por medio de un elemento conductor asimétrico. |
| rectification efficiency ( electronics, computer science, nuclear energy ) |
(rendimiento de rectificación). Relación entre la potencia de salida de corriente continua y la potencia de entrada de alterna, en un rectificador. |
| rectification factor ( electronics, computer science, nuclear energy ) |
(factor de rectificación). Cociente del cambio en la corriente media de un electrodo, dividida por el cambio en amplitud del voltaje alterno sinusoidal aplicado al mismo electrodo, manteniéndose constantes los voltajes de continua aplicados a éste y los demás electrodos. |
| rectifier ( electronics, computer science, nuclear energy ) |
(sección de rectificación). En la separación isotópica, parte de una cascada situada entre el punto de alimentación y el de extracción del producto enriquecido. |
| rectifier ( electronics, computer science, nuclear energy ) |
(rectificador). Dispositivo electrónico que lleva a cabo el proceso de rectificación. |
| rectifier ( power electronics – AC to DC conversion ) |
(rectificador). Dispositivo que convierte corriente alterna en corriente continua para cargar baterías. |
| rectifier ( Power Electronics – Rectifier Circuits ) |
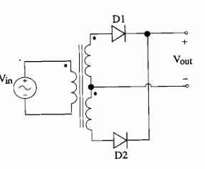
(rectificador eléctrico). Dispositivo eléctrico para convertir corriente alterna (CA) en corriente directa (CD).
Rectificadores monofásicos (Single-phase rectifier circuits)
Esquemas representados (Represented circuits)
- Rectificador de media onda con diodo. (Half-wave rectifier with diode.)

- Rectificador de onda completa con toma central. (Center-tapped full-wave rectifier.)



- Rectificador en puente de diodos. (Diode bridge rectifier.)

- Rectificador con filtro capacitivo. (Rectifier with capacitive filter.)

Los esquemas mostrados corresponden a distintos tipos de rectificadores utilizados para convertir corriente alterna en corriente continua. (The diagrams shown correspond to different types of rectifiers used to convert alternating current into direct current.)
Concepto general (General concept)
Un rectificador es un circuito electrónico que permite transformar una señal de corriente alterna (CA) en una señal de corriente continua (CC),
aprovechando la propiedad de conducción unidireccional de los diodos. En su forma más simple, un rectificador de media onda utiliza un solo diodo
para dejar pasar únicamente uno de los semiciclos de la tensión alterna. Esto produce una corriente pulsante, con bajo rendimiento y elevada ondulación. (A rectifier is an electronic circuit that converts alternating current (AC) into direct current (DC), using the unidirectional conduction property
of diodes. In its simplest form, a half-wave rectifier uses a single diode to pass only one half-cycle of the AC voltage. This produces a pulsating current,
with low efficiency and high ripple.)
Para mejorar el aprovechamiento de la señal, se emplean rectificadores de onda completa. Estos pueden realizarse mediante un transformador con toma central
y dos diodos, o mediante un puente de cuatro diodos (puente de Graetz). En ambos casos, se consigue que los dos semiciclos de la señal de entrada contribuyan
a la tensión de salida, obteniendo un valor medio mayor y una ondulación menor. (To improve signal utilization, full-wave rectifiers are used. These can be implemented with a center-tapped transformer and two diodes, or with a four-diode
bridge (Graetz bridge). In both cases, both half-cycles of the input signal contribute to the output voltage, resulting in a higher average value and reduced ripple.)
En muchos rectificadores se incorpora un transformador para adaptar niveles de tensión y proporcionar aislamiento galvánico. Además, suele añadirse un condensador
de filtro en paralelo con la carga, que se carga al valor máximo de la tensión rectificada y se descarga lentamente, reduciendo la ondulación y aproximando la salida
a una corriente continua más estable. (In many rectifiers, a transformer is included to adapt voltage levels and provide galvanic isolation. In addition, a filter capacitor is usually connected across
the load; it charges to the peak rectified voltage and discharges slowly, reducing ripple and producing a more stable DC output.)
Estos circuitos constituyen la base de las fuentes de alimentación, cargadores, equipos electrónicos e industriales, donde es necesario convertir la energía de red
en tensión continua apta para alimentar dispositivos electrónicos. (These circuits form the basis of power supplies, chargers, and electronic and industrial equipment, where mains power must be converted into DC voltage suitable
for electronic devices.) |
| rectifier (Induction Cooking Technology) |
(rectificador). Componente que convierte corriente alterna en corriente continua dentro del sistema electrónico. |
| rectifier (Power Electronics and Drives) |
(rectificador). Etapa del VFD que convierte la corriente alterna en corriente continua. |
| rectifier (power electronics, UPS systems) |
(rectificador). Etapa que convierte la energía de CA de la red en CC para alimentar el bus de continua del UPS y/o cargar el banco de baterías. |
| rectifier (Refrigeration and air conditioning) |
RECTIFICADOR (ELÉCTRICO): Dispositivo eléctrico para convertir corriente alterna en corriente continua. |
| rectifier bridge |
Puente de rectificador.

Fig. A : Circuitos rectificadores en puente monofásicos y trifásicos . (Single- and three-phase bridge rectifier circuits)

Fig. B: Salida del rectificador trifásico comparada con las señales de entrada. Las señales de entrada, así como las etiquetas de los diodos en conducción, son las referenciadas en la Fig. A. (Three-phase rectifier output compared to the input signals. The input signals as well as the conducting diode labels are those referenced to Fig. A.)
Conceptos :
- Circuito rectificador: Conjunto de dispositivos electrónicos destinado a convertir corriente alterna (CA) en corriente continua (CC). (Rectifier circuit: An electronic circuit designed to convert alternating current (AC) into direct current (DC).)
- Rectificador en puente: Topología muy utilizada que emplea cuatro diodos en monofásico o seis diodos en trifásico para rectificar ambas semiondas de la señal de entrada. (Bridge rectifier: A widely used topology employing four diodes in single-phase or six diodes in three-phase systems to rectify both halves of the input waveform.)
- Rectificador monofásico en puente: En este circuito, dos diodos conducen durante el semiciclo positivo y los otros dos durante el semiciclo negativo. (Single-phase bridge rectifier: In this circuit, two diodes conduct during the positive half-cycle and the other two during the negative half-cycle.)
- Rectificador trifásico en puente: Utiliza seis diodos conectados a una fuente trifásica; siempre conducen dos diodos a la vez según las tensiones instantáneas de fase. (Three-phase bridge rectifier: Uses six diodes connected to a three-phase source; two diodes conduct at any time depending on the instantaneous phase voltages.)
- Conducción de diodos: En rectificadores trifásicos, la conducción se transfiere secuencialmente entre pares de diodos, produciendo una salida casi continua. (Diode conduction: In three-phase rectifiers, conduction transfers sequentially between diode pairs, producing an almost continuous output.)
- Forma de onda de salida: La tensión rectificada presenta pulsaciones que dependen del número de fases y de la topología del rectificador. (Output waveform: The rectified voltage exhibits pulsations that depend on the number of phases and rectifier topology.)
- Rizado (ripple): Variación residual de la tensión continua; en rectificadores trifásicos el rizado es significativamente menor que en monofásicos. (Ripple: Residual variation of the DC voltage; in three-phase rectifiers the ripple is significantly lower than in single-phase rectifiers.)
- Comparación de rizado: Un rectificador trifásico típico presenta un rizado del orden del 4%, frente a valores cercanos al 47% en rectificadores monofásicos sin filtrado. (Ripple comparison: A typical three-phase rectifier has about 4% ripple, compared to nearly 47% in unfiltered single-phase rectifiers.)
- Filtro de salida: Elemento posterior al rectificador (inductivo, capacitivo o mixto) que suaviza la tensión continua entregada a la carga. (Output filter: A component placed after the rectifier (inductive, capacitive, or combined) that smooths the DC voltage supplied to the load.)
- Carga resistiva: Condición ideal en la cual la corriente y la tensión de salida siguen directamente la forma de onda rectificada. (Resistive load: An ideal condition where output current and voltage directly follow the rectified waveform.)
- Cargas inductivas: Motores y transformadores introducen inductancia, modificando la forma y la fase de la corriente rectificada. (Inductive loads: Motors and transformers introduce inductance, modifying the shape and phase of the rectified current.)
- Desplazamiento de fase: La inductancia de la carga provoca desfases entre las tensiones de entrada y la corriente de salida del rectificador. (Phase shift: Load inductance causes phase displacement between input voltages and rectifier output current.)
- Tensiones inducidas: Elementos inductivos pueden generar picos de tensión peligrosos al interrumpirse la corriente. (Induced voltages: Inductive elements can generate dangerous voltage spikes when current is interrupted.)
- Diodos de protección: En muchos rectificadores se emplean diodos para desviar corriente y limitar sobretensiones inducidas. (Protection diodes: Diodes are often used in rectifier circuits to shunt current and clamp induced overvoltages.)
- Aplicaciones: Los circuitos rectificadores se emplean en fuentes de alimentación, accionamientos de motores, cargadores de baterías y sistemas industriales. (Applications: Rectifier circuits are used in power supplies, motor drives, battery chargers, and industrial systems.)
|
| rectifier ripple factor ( electronics, computer science, nuclear energy ) |
(factor de ondulación del rectificador). Relación, expresada en tanto por ciento, entre el valor eficaz de la componente alterna del voltaje de salida del rectificador y el valor medio de este voltaje. |
| rectifier unit ( electronics, computer science, nuclear energy ) |
(unidad rectificadora). Equipo que comprende un rectificador, con sus filtros correspondientes, y el transformador de alimentación. |
| rectifier voltmeter ( electronics, computer science, nuclear energy ) |
(voltímetro rectificador). (Véase VOLTMETER, RECTIFIER). |
| rectifier, caesium-vapor ( electronics, computer science, nuclear energy ) |
(rectificador de vapor de cesio). Tubo rectificador gaseoso que utiliza vapor de cesio como gas conductor. |
| rectifier, commutating ( electronics, computer science, nuclear energy ) |
(rectificador conmutador). Rectificador que utiliza un dispositivo mecánico para producir el cambio de resistencia con la polaridad de la tensión aplicada. |
| rectifier, contact ( electronics, computer science, nuclear energy ) |
(rectificador de contacto). Rectificador consistente en dos sólidos diferentes puestos en contacto entre sí, y en el que la rectificación se produce por la diferente conductividad a través del contacto, para corrientes de inverso sentido. |
| rectifier, copper-oxide ( electronics, computer science, nuclear energy ) |
(rectificador de cobre-óxido, rectificador de cobre). Rectificador que utiliza varias células o elementos rectificadores de cobre-óxido. |
| rectifier, dry-disc ( electronics, computer science, nuclear energy ) |
(rectificador seco de discos). Rectificador compuesto de una serie de discos metálicos que comportan, en general, una unión metal-óxido en la que se produce la rectificación. |
| rectifier, junction ( electronics, computer science, nuclear energy ) |
(rectificador de unión). Rectificador que hace uso de la diversa conductividad en uno o en otro sentido, de una unión en un material semiconductor. |
| rectifier, linear ( electronics, computer science, nuclear energy ) |
(rectificador lineal). Rectificador en el que la característica de conducción es una línea recta. |
| rectifier, selenium ( electronics, computer science, nuclear energy ) |
(rectificador de setenio). Rectificador formado por varias células o elementos rectificadores de selenio. |
| rectifier, single-phase ( electronics, computer science, nuclear energy ) |
(rectificador monofásico). Rectificador que funciona con corriente alterna monofásica como señal de entrada. |
| rectifier, three-phase ( electronics, computer science, nuclear energy ) |
(rectificador trifásico). Rectificador que funciona con corriente alterna trifásica como señal de entrada. |