CIRCUITOS ELÉCTRICOS : Leyes de Kirchhoff
Las leyes de Kirchhoff, formuladas por el físico alemán Gustav Kirchhoff, son principios fundamentales en el análisis de circuitos eléctricos. Estas leyes se aplican a circuitos eléctricos con corrientes continuas (CC) y corrientes alternas (CA) y permiten determinar las corrientes y tensiones en diferentes partes del circuito. Hay dos leyes principales de Kirchhoff:
-
Ley de corrientes de Kirchhoff (Ley de nodos): Esta ley establece que la suma algebraica de las corrientes que entran y salen de un nodo o punto de conexión en un circuito es igual a cero. En otras palabras, la corriente que entra en un nodo es igual a la corriente que sale del nodo. Esta ley se basa en el principio de conservación de la carga. Matemáticamente, se puede expresar como:
Σ I(in) - Σ I(out) = 0
Donde Σ representa la suma algebraica, I(in) es la suma de las corrientes que entran al nodo y I(out) es la suma de las corrientes que salen del nodo.
La ley de corrientes de Kirchhoff se utiliza para analizar y calcular las corrientes en diferentes ramales de un circuito, considerando la conservación de la carga en los nodos.
-
Ley de tensiones de Kirchhoff (Ley de mallas): Esta ley establece que la suma algebraica de las caídas de tensión en un lazo cerrado de un circuito es igual a cero. En otras palabras, la suma de las tensiones en una malla o lazo cerrado del circuito es igual a la suma de las fuentes de tensión en ese mismo lazo. Esta ley se basa en el principio de conservación de la energía. Matemáticamente, se puede expresar como:
Σ V = 0
Donde Σ representa la suma algebraica de las tensiones en una malla cerrada.
La ley de tensiones de Kirchhoff se utiliza para analizar y calcular las tensiones en diferentes elementos (resistencias, fuentes de tensión, etc.) en un circuito, considerando la conservación de la energía en las mallas cerradas.
Estas leyes son fundamentales para el análisis de circuitos complejos, ya que permiten establecer ecuaciones que relacionan las corrientes y tensiones en diferentes partes del circuito. A partir de estas ecuaciones, se pueden resolver sistemas de ecuaciones para determinar las corrientes y tensiones desconocidas en el circuito. Las leyes de Kirchhoff son aplicables a circuitos en serie, paralelo y mixtos, y son ampliamente utilizadas en la teoría y práctica de la electrónica y la electricidad.
Gustav Robert Kirchhoff (1824-1887) fue un físico alemán conocido por sus contribuciones en el campo de la teoría de circuitos eléctricos y el estudio de la radiación térmica. Nació el 12 de marzo de 1824 en Königsberg, Prusia (hoy Kaliningrado, Rusia).
Kirchhoff realizó importantes avances en la formulación y aplicación de las leyes fundamentales que rigen el comportamiento de los circuitos eléctricos, conocidas como las leyes de Kirchhoff. Estas leyes, publicadas en 1845 y 1847, proporcionaron un marco teórico sólido para el análisis de los circuitos eléctricos en términos de corrientes y tensiones. Las leyes de Kirchhoff, junto con las leyes de Ohm, se convirtieron en los fundamentos de la teoría de circuitos y siguen siendo ampliamente utilizadas en la actualidad.
Además de su trabajo en teoría de circuitos, Kirchhoff también realizó investigaciones significativas en óptica, termodinámica y espectroscopia. Es conocido por formular las leyes de radiación térmica, junto con su colega Robert Bunsen, conocidas como las leyes de Kirchhoff-Bunsen. Estas leyes establecen las relaciones entre la radiación absorbida, emitida y transmitida por un cuerpo negro.
Kirchhoff también fue pionero en el campo de la espectroscopia. Descubrió que los elementos químicos producen patrones de líneas espectrales únicos cuando son calentados y observados a través de un prisma. Estos patrones de líneas espectrales se convirtieron en una herramienta importante para el análisis químico y el estudio de la composición de los cuerpos celestes.
Gustav Kirchhoff fue reconocido por sus contribuciones científicas y recibió varios honores a lo largo de su carrera. Fue profesor en la Universidad de Heidelberg y la Universidad de Berlín, donde realizó gran parte de su investigación. Kirchhoff falleció el 17 de octubre de 1887 en Berlín, Alemania, dejando un legado duradero en la física y la teoría de circuitos eléctricos. |
O sea, vimos que :
1. La suma de ias corrientes que entran en un punto de unión de un circuito es igual a la suma de las corrientes que salen de ese punto. Si se asigna signo más (+) a las corrientes que entran en la unión, y signo menos (-) a las que salen de ella, entonces la ley establece que la suma algebraica de las corrientes en un punto de unión es cero:
suma de I = 0 (en la unión)
En esencia, la ley simplemente dice que la carga eléctrica no puede acumularse en un punto (es decir, cuanto más corriente llega a un punto, mayor cantidad sale de él).
2. Para todo conjunto de conductores que forman un circuito cerrado, se verifica que la suma de las caídas de voltaje en las resistencias que constituyen la malla, es igual a la suma de las fem intercaladas. Considerando un aumento de potencial como positivo
(+) y una caída de potencial como negativa (-), la suma algebraica de las diferencias de potenciales (voltajes) en una malla cerrada es cero:
suma de E -suma de las caídas IR = 0 (en la malla cerrada)
Para aplicar esta ley en la práctica, se supone una dirección arbitraria para la corriente en cada rama. El extremo de la resistencia, por donde penetra la corriente, es positivo, con respecto al otro extremo. Si la solución para la corriente que se resuelve, hace que quede invertido el negativo, es porque la dirección de la corriente es opuesta a la que se ha supuesto.
Una manera alternativa de expresar las leyes de Kirchhoff es la siguiente:
- Ley de nodos
∑ Ientrantes = ∑ Isalientes
- Ley de mallas
∑ ε= ∑ ΔVR
|
Una simplificación de las leyes de Kirchhoff es el método que hace uso de corrientes de malla o de circuito. Una malla es cualquier trayectoria cerrada en un circuito. No importa que el recorrido contenga una fuente de voltaje. Al resolver un circuito mediante corrientes de malla, primero debemos decidir las trayectorias que serán las mallas.
Luego se asigna una corriente de malla a cada una. Por conveniencia, generalmente se suponen las corrientes de
malla en la dirección de las manecillas del reloj. Esta dirección es arbitraria, pero la dirección de las manecillas del
reloj es la usada con mayor frecuencia. Luego la ley de Kirchhoff del voltaje se aplica al recorrido de cada malla. Las
ecuaciones que resultan determinan las corrientes de malla desconocidas. De éstas, se puede encontrar la corriente o el voltaje de cualquier resistor.
PROBLEMA 1. Determinar la corriente que circula a través de cada resistencia,
y la caída de tensión sobre cada resistencia del circuito de la Fig 1.

Márquese la polaridad del voltaje entre los extremos de cada resistor de acuerdo con la corriente supuesta. Recuérdese que el flujo convencional de corriente en un resistor produce una polaridad
positiva en donde entra la corriente.
Figura 1.
SOLUCIÓN. Por la primera ley de Kirchhoff, en el punto B:

Por la segunda ley de Kirchhoff, la suma de los voltajes alrededor de la malla EBAFE:

Vemos que tenemos tres ecuaciones simultáneas con tres incógnitas (I1, I2, I3). Resolviendo la ecuación (1) para I3 sustituyendo en la ecuación (2)


Podemos también resolver por determinantes, de la siguiente manera :
Ecuaciones. Resolución de un sistema de tres ecuaciones con tres incognitas.
Planteamos el sistema de ecuaciones
1x -1y -1z = 0
10x + 0y + 12z = 12
10x + 6y + 0z = 10
Hallamos los determinantes :
Δ = -180 - (72) = -252
ΔX = 0 + (-72) + (-120) - ( 0 + 0 + 0) = -192
ΔY = 0 -100 + 0 - ( -120 + 120 + 0) = -100
ΔZ = 0 -120 + 0 - ( 0 -100 + 72) = -92
Soluciones : x=I1, y=I2, z=I3
x = ΔX/Δ = 0.76190476190476 Amperios
y = ΔY/Δ = 0.3968253968254 Amperios
z = ΔZ/Δ = 0.36507936507937 Amperios
Comprobamos usando Multisim :

Al ser los tres valores positivos, se entiende que los sentidos de las corrientes supestas eran correctas.
Supongamos ahora, que inicialmente hubiéramos colocado otro sentido a una de las corrientes:

Planteamos el nuevo sistema de ecuaciones
1x + 1y -1z = 0
10x + 0y + 12z = 12
10x -6y + 0z = 10
Hallamos los determinantes :
Δ = 180 - (-72) = 252
ΔX = 0 + 72 + 120 - ( 0 + 0 + 0) = 192
ΔY = 0 + (-100) + 0 - ( -120 + 120 + 0) = -100
ΔZ = 0 + 120 + 0 - ( 0 + 100 + (-72)) = 92
Soluciones :
x = ΔX/Δ = 0.76190476190476 Amperios
y = ΔY/Δ = -0.3968253968254 Amperios (vemos que ahora el valor es negativo, o sea el sentido real de la corriente es en dirección opuesta a éste gráfico)
z = ΔZ/Δ = 0.36507936507937 Amperios
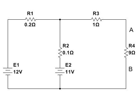
PROBLEMA 2. Vamos a resolver ahora este otro circuito eléctrico, aplicando nuevamente las leyes de Kirchhoff. Se trata de determinar los valores de las
intensidades que circulan por las distintas
ramas, la diferencia de potencial en los extremos de la resistencia R4 y la potencia que consume dicha resistencia.

Figura 2.
En primer lugar, hay que establecer las ramas, los nodos y las mallas del
circuito. Tras un breve análisis del mismo, resulta la disposición que se
muestra a continuación, y que nos permite aplicar las leyes de Kirchhoff:


Se trata, pues, de un sistema de tres ecuaciones con tres incógnitas,
que, una vez resuelto, proporciona los siguientes resultados:
Planteamos el sistema de ecuaciones
1x + 1y -1z = 0
-0.2x + 0.1y + 0z = -1
0x -0.1y -10z = -11
Hallamos los determinantes :
Δ = -1.02 - (2) = -3.02
ΔX = -0 -0.1 + 0 - ( 1.1 + 0 + 10) = -11.2
ΔY = 10 -2.2 + 0 - ( 0 + 0 + 0) = 7.8
ΔZ = -1.1 + 0 + 0 - ( 0 + 2.2 + 0.1) = -3.4
Soluciones : x=I1, y=I2, z=I3
x = ΔX/Δ = 3.7086092715232 Amperios
y = ΔY/Δ = -2.5827814569536 Amperios
z = ΔZ/Δ = 1.1258278145695 Amperios
- I1= 3.708 A
- I2= -2.582 A
- I3= 1.125 A
El resultado negativo de I2 indica que el sentido de esta intensidad es el
opuesto al que se le asignó en el circuito de la figura, Por tanto, se puede
concluir que el segundo generador (E2) no está aportando energía a la
malla B. Por el contrario, está tomando una corriente de carga de 2,5 A
procedente del primer generador (E1).
Este también está suministrando a la malla B una corriente de 1,13 A (I3).
La tensión en los bornes de R4 y su potencia de consumo serán:
VAB = I3.R4 = 1,13 . 9= 10.17 V
P4 = VAB . I3 = 10,17 . 1,13 = 11,5 W
Verificamos valores de corrientes, tensiones y potencia por Multisim :

Tema relacionado : CIRCUITOS “π”, “T” Y SU EQUIVALENCIA
Conceptos destacados :
| Kirchhoff's laws |
(leyes de Kirchhoff). Conjunto de principios fundamentales utilizados para el análisis de corrientes y tensiones en circuitos eléctricos. |
| Kirchhoff's current law (KCL) |
(ley de corrientes de Kirchhoff, ley de nodos). Establece que la suma algebraica de las corrientes que entran y salen de un nodo es igual a cero. |
| Kirchhoff's voltage law (KVL) |
(ley de tensiones de Kirchhoff, ley de mallas). Indica que la suma algebraica de las tensiones en un lazo cerrado es igual a cero. |
| electric node |
(nodo eléctrico). Punto de conexión común entre dos o más conductores de un circuito. |
| closed loop |
(lazo cerrado). Trayectoria completa en un circuito por la que puede circular corriente eléctrica. |
| mesh |
(malla). Trayectoria cerrada elemental de un circuito utilizada para aplicar la ley de tensiones. |
| mesh current |
(corriente de malla). Corriente supuesta que circula por una malla para facilitar el análisis del circuito. |
| branch |
(rama). Parte de un circuito comprendida entre dos nodos consecutivos. |
| voltage drop |
(caída de tensión). Disminución de potencial eléctrico a través de un elemento del circuito. |
| electromotive force (EMF) |
(fuerza electromotriz, fem). Energía suministrada por una fuente para mover cargas eléctricas en un circuito. |
| resistive element |
(elemento resistivo). Componente del circuito que se opone al paso de la corriente eléctrica. |
| simultaneous equations |
(ecuaciones simultáneas). Conjunto de ecuaciones que deben resolverse de manera conjunta para hallar corrientes y tensiones desconocidas. |
| determinant method |
(método de determinantes). Procedimiento matemático utilizado para resolver sistemas de ecuaciones lineales. |
| conventional current flow |
(flujo convencional de corriente). Sentido supuesto de circulación de la corriente desde el polo positivo al negativo. |
| power dissipation |
(disipación de potencia). Conversión de energía eléctrica en calor en un elemento del circuito. |
|