| Inductive capacity, capacidad inductiva |
| Inductive circuit, circuito inductivo |
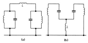
| Inductive coupling, acoplo por inducción (radio), (Electrónica - Electronics ) :

Fig. acoplo por (a) inductancia y (b) inductancia paralelo.
Acoplo de dos circuitos por medio de un devanado común o por inductancia mutua . El devanado común puede conectarse en serie como en la figura (a), o en paralelo como en la (b). La figura siguiente muestra un acoplo por medio de la inductancia mutua M;

Fig. acoplo entre dos circuitos por una inductancia mutua M. |
| Inductive detector, detector inductivo. (Electrónica - Electronics ) Los detectores inductivos se utilizan para detectar la proximidad de piezas metálicas en un rango de distancias que va desde 1mm a unos 30 mm. Hasta 75mm, también como interruptores final de carrera con ventajas con respecto a los electromecánicos, tales como: ausencia de contacto con el objeto a detectar, robustez mecánica, resistencia a ambientes agresivos a altas temperaturas.
Fig. Inductive detector - detector inductivo |
| Inductive load, carga inductiva |
| Inductive pulse generator, generador inductivo de impulsos. (Automobile, Automóvil) ( Electronic Ignition, Ignición electrónica )Inductive pulse generators use the basic principle of induction to produce a signal. Many forms exist, but all are based around a coil of wire and a permanent magnet. The distributor has the coil of wire wound on the pick-up and as the reluctor rotates the magnetic flux varies due to the peaks on the reluctor. The number of peaks or teeth on the reluctor corresponds to the number of engine cylinders. The gap between the reluctor and pick-up can be important and manufacturers have recommended settings. These systems produce a kind of sine-wave output.
Los generadores inductivos de impulsos utilizan el principio básico de la inducción para producir una señal. Existen muchas formas, pero todas se basan en una bobina de alambre y un imán permanente. El distribuidor tiene la bobina de alambre enrollada en el captador y, a medida que el reluctor gira, el flujo magnético varía debido a los picos en el reluctor. El número de picos o dientes del reluctor corresponde al número de cilindros del motor. El espacio entre el reluctor y el captador puede ser importante y los fabricantes tienen configuraciones recomendadas. Estos sistemas producen una especie de salida de onda sinusoidal.  |
| Inductive reactance, reactancia inductiva o de inducción. |
| Inductive semiconductor ignition, encendido por semiconductores |
| Inductive, inductivo; non inductive winding, devanado no inductivo; specific inductive capacity, capacidad inductiva específica . |
| Inductivity (electricity), inductividad . |
| Inductometer (electricity), inductómetro |
| Inductophone, inductófono |
| Inductor alternator, alternador de inductor fijo e inducido fijo. |
| Inductor, ( Electricity - Electricidad ) inductor, bobina de inductancia, bobina de reactancia, bobina de inducción, conductor útil de un inducido, bobina (inductor) (Electrónica - Electronics ), Un componente usado debido a su inductancia . En electrónica se utiliza una amplia variedad de tipos de bobinas. A frecuencias bajas y de audio, las bobinas de un valor elevado de Henrios, están constituidas por arrollamientos sobre núcleos ferromagnéticos laminados. A más altas frecuencias, las pérdidas por corrientes inducidas comienzan a ser importantes, y para transformadores y bobinas de RF, se emplean núcleos de ferrita no conductora ; alternator inductor, alternador de hierro giratorio; earth inductor compass, brújula de inducción.
Inductors are devices that oppose any change in the current flowing through them. The inductance of a coil is given by

where
- L = inductance in henries
- N = number of turns of wire
- μ = permeability of the core of the coil (H/m)
- A = cross sectional area of the coil (m2)
- d = length of the coil (m)
A henry is defined as the inductance that will produce an emf of 1 V when the current through the inductance changes at the rate of 1 A/s.
Los inductores son dispositivos que se oponen a cualquier cambio en la corriente que fluye a través de ellos. La inductancia de una bobina está dada por

donde
- L = inductancia en henries
- N = número de vueltas de cable
- μ = permeabilidad del núcleo de la bobina (H / m)
- A = área de la sección transversal de la bobina (m2)
- d = longitud de la bobina (m)
El henrio se define como la inductancia que producirá una fuerza electromotriz de 1 V cuando la corriente a través de la inductancia varíe a razón de 1 A / s. |
| |
|
| Inductorium, toda clase de bobina de inducción. |
| Inductothermy, inductotermia . |
| Inductuner, sintonizador de inducción. |
| Indurate (to), endurecer |
| Industrial car, vagoneta, carro industrial |
| Industrial connectivity, conectividad industrial. includes any component that is in the path of delivering power or control signals to do useful work. Typical connectivity components include connectors and terminal blocks, motor starters and relays. La conectividad industrial incluye cualquier componente que se encuentre en el camino de entregar energía o señales de control para realizar un trabajo útil. Los componentes de conectividad típicos incluyen conectores y bloques de terminales, arrancadores de motor y relés. |
| Industrial connectors, conectores industriales. Industrial connectors are divided into four categories based on operating environments: commercial, industrial, military, and hermetic. In commercial applications, outside temperatures and atmospheric conditions are the least critical factors affecting performance. Generic connectors merely maintain electrical continuity, allowing use of low-cost materials. Industrial connectors are devised to handle more rugged environments encompassing hazards that include thermal shock, corrosion, vibration, physical jarring, and sand and dust. Los conectores industriales se dividen en cuatro categorías según los entornos operativos: comercial, industrial, militar y hermético. En aplicaciones comerciales, las temperaturas exteriores y las condiciones atmosféricas son los factores menos críticos que afectan su rendimiento. Los conectores genéricos simplemente mantienen la continuidad eléctrica, lo que permite el uso de materiales de bajo costo. Los conectores industriales están diseñados para manejar entornos más difíciles que abarcan peligros que incluyen choque térmico, corrosión, vibración, sacudidas físicas, arena y polvo.
Los diseñadores pueden seleccionar entre varios materiales de conectores diferentes:
LATÓN (BRASS): El latón tiene una conductividad excelente pero no puede soportar muchos ciclos de inserción y extracción. El latón pierde flexibilidad a medida que envejece, y bajo estrés repetido experimenta cristalización, lo que reduce significativamente la conductividad. Este metal es adecuado para aplicaciones no críticas, de baja fuerza de contacto y se engarza y suelda, fácilmente.
COBRE AL BERILIO (BERYLLIUM COPPER): El cobre al berilio tiene excelentes propiedades mecánicas, eléctricas y térmicas y resiste la corrosión y el desgaste. Es el mejor conductor eléctrico de cualquier aleación de resorte de dureza comparable. El cobre al berilio es más fuerte, más resistente a la fatiga y resiste más ciclos de inserción y extracción que cualquier otra aleación de resorte a base de cobre. Pero es el más caro de los materiales de contacto básicos.
ALEACIONES DE NÍQUEL-PLATA (NICKEL-SILVER ALLOYS): Las aleaciones de níquel-plata resisten la oxidación y no siempre requieren enchapado. La aleación de níquel-plata es susceptible a la corrosión bajo tensión mecánica, aunque no tanto como el latón.
ORO (GOLD): El oro es un excelente conductor y un material de revestimiento muy estable. Tiene la menor resistencia al contacto y proporciona la mejor protección contra la corrosión. Se recomiendan los chapados en oro duro para los contactos que experimentan ciclos frecuentes de inserción / extracción. Para un ciclo aún mayor, el oro se puede impregnar con grafito (graphite) con un aumento mínimo de la resistencia de contacto.
ORO SOBRE PLATA (GOLD-OVER-SILVER): La placa base de oro sobre plata es buena para aplicaciones de circuitos con señal de baja intensidad (dry-circuit) (rango de milivoltios, miliamperios) porque proporciona una baja resistencia de contacto. Pero debido a que su resistencia a la corrosión es solo moderada, el uso de esta combinación es limitado.
ORO SOBRE NÍQUEL (GOLD-OVER-NICKEL): El oro sobre níquel es una combinación ampliamente utilizada para enchapado (plating) porque proporciona las cualidades de superficie del oro, mientras que el revestimiento (hard underplating) de níquel evita la migración del metal base y minimiza la cantidad de oro requerida.
PLATA (SILVER): La plata es un revestimiento de uso general usada para contactos de potencia. Sin embargo, la vida útil es pobre y la plata se deslustra cuando se expone a la atmósfera, aumentando la resistencia al contacto. Aunque este revestimiento de óxido no es deseable en circuitos de bajo nivel de intensidad eléctrica, no afecta a los contactos que transportan corrientes más altas.
NÍQUEL (NICKEL): El níquel tiene buena resistencia a la corrosión, buena conductividad y generalmente se usa como capa base para ambientes de alta temperatura para prevenir la migración de plata a través del oro. El níquel tiene buena resistencia al desgaste, pero puede agrietarse durante el crimpado (crimping) si no se realiza un enchapado correcto sobre el metal base.
RODIO (RHODIUM): El rodio se utiliza por sus excepcionales cualidades frente al desgaste. Tiene una conductividad más baja que el oro o la plata, pero en chapados delgados esta mayor resistencia es aceptable.
ESTAÑO (TIN): El estaño tiene buena conductividad y excelente soldabilidad. Es un acabado de bajo costo con poca resistencia a la limpieza que se adapta mejor a las conexiones que requieren muy pocos ciclos de empalme. El estaño no es un metal noble y se corroe. El rodio sobre níquel (Rhodium-over-nickel) proporciona la máxima resistencia al desgaste y es apropiado para el funcionamiento a altas temperaturas. Sin embargo, esta combinación tiene una mayor resistencia al contacto que otros revestimientos. |
| Industrial insurance, seguro contra accidentes del trabajo |
| Industrial processes, procesos industriales.
Los procesos industriales exigen el control de la fabricación de los diversos productos obtenidos. Los procesos son muy variados y abarcan muchos tipos de productos: la fabricación de los productos derivados del petróleo, de los productos alimenticios, la industria cerámica, las centrales generadoras de energía, la siderurgia, los tratamientos térmicos, la industria papelera, la industria textil, etc.
En todos estos procesos es absolutamente necesario controlar y mantener constantes algunas magnitudes, tales como la presión, el caudal, el nivel, la temperatura, el pH, la conductividad, la velocidad, la humedad, el punto de rocío, etcétera. Los instrumentos de medición y control permiten el mantenimiento y la regulación de estas constantes en condiciones más idóneas que las que el propio operador podría realizar.
En los inicios de la era industrial, el operario llevaba a cabo un control manual de estas variables utilizando sólo instrumentos simples, manómetros, termómetros, válvulas manuales, etc., control que era suficiente por la relativa simplicidad de los procesos. Sin embargo, la gradual complejidad con que éstos se han ido desarrollando ha exigido su automatización progresiva por medio de los instrumentos de medición y control. Estos instrumentos han ido liberando al operario de su función de actuación física directa en la planta y al mismo tiempo, le han permitido una labor única de supervisión y de vigilancia del proceso desde centros de control situados en el propio proceso o bien en salas aisladas separadas; asimismo, gracias a los instrumentos ha sido posible fabricar productos complejos en condiciones estables de calidad y de características, condiciones que al operario le serían imposibles o muy difíciles de conseguir, realizando exclusivamente un control manual.
Los procesos industriales a controlar pueden dividirse ampliamente en dos categorías: procesos continuos y procesos discontinuos. En ambos tipos, deben mantenerse en general las variables (presión, caudal, nivel, temperatura, etc.), bien en un valor deseado fijo, bien en un valor variable con el tiempo de acuerdo con una relación predeterminada, o bien guardando una relación determinada con otra variable.
El sistema de control que permite este mantenimiento de las variables puede definirse como aquel que compara el valor de la variable o condición a controlar con un valor deseado y toma una acción de corrección de acuerdo con la desviación existente sin que el operario intervenga en absoluto.
El sistema de control exige pues, para que esta comparación y subsiguiente corrección sean posibles, que se incluya una unidad de medida, una unidad de control, un elemento final de control y el propio proceso. Este conjunto de unidades forman un bucle o lazo que recibe el nombre de bucle de control. El bucle puede ser abierto (fig. 1) o bien cerrado (fig. 2).

Figura 1: Bucle abierto de regulación.

Figura 2: Bucle cerrado de regulación.
Un ejemplo de bucle abierto es el calentamiento de agua en un tanque mediante una resistencia eléctrica sumergida.
Un bucle cerrado representativo lo constituye la regulación de temperatura en un intercambiador de calor.
En ambos casos se observa que existen elementos definidos como el elemento de medida, el transmisor, el controlador, el indicador, el registrador y el elemento final. |
| Industrial railway, ferrocarril o carrilera industrial |
| Industrial sewage, aguas cloacales industriales |
| Industrial track, vía decauville o angosta, línea decauville, carrilera industrial |
| Industrial tractor, tractor industrial o para fábricas |
| Industrial union, sindicato industrial |
| Industrial wastes, desperdicios o aguas industriales |
| Industrial, industrial |
| Industry, industria |
| Inefficient, ineficiente |
| Inelastic buckling. ( Mechanics ) Sudden increase of deflection or twist in a column when compres-sive stress reaches the elastic limit but before elastic buckling develops. Pandeo inelástico, ( Mecánica ) Aumento repentino de flexión o torsión en una columna, cuando los esfuerzos de compresión alcanzan el límite elástico, pero antes de que se produzca pandeo elástico. |
| Inelastic . ( Mechanics ) Not capable of sustaining a deformation without permanent change in size or shape. No elástico, inelástico, ( Mecánica ) Incapaz de soportar una deformación sin cambio permanente de tamaño o forma . . |
| Inelastic collision. ( Mechanics ) A collision in which the total kinetic energy of the colliding particles is not the same after the collision as before it. Choque inelástico. ( Mecánica ) Colisión en la que el total de energía cinética de las partículas que chocan no es la misma después de la colisión que antes de ella . |
| Inelastic stress. ( Mechanics ) A force acting on a solid which produces a deformation such that the original shape and size of the solid are not restored after removal of the force. Tensión no elástica, ( Mecánica ) Fuerza que actúa sobre un sólido y que le produce un grado de deformación tal que no recupere su forma y dimensiones originales una vez eliminada la fuerza . |
| Inequality of Clausius, desigualdad de Clausius |
| Inequality, desigualdad |
| Inert gas, gas inerte |
| Inert gas shielded arc welding, máquina al arco con protección de gas inerte. |
| Inert, inerte |
| Inertance, inertancia (Electrónica - Electronics ), La propiedad de un sistema acústico vibratorio que le permite oponerse a variaciones de velocidad . Es función de la masa del medio, expresándose como m/A2, donde m es la masa y A la sección sobre la que actúa la presión de excitación. La inertancia es el símil acústico de la inductancia . |
| Inertia ellipsoid . ( Mechanics ) An ellipsoid used in describing the motion of a rigid body; it is fixed in the body, and the distance from its center to its surface in any direction is inversely proportional to the square root of the moment of inertia about the corresponding axis. Also known as Poinsot ellipsoid . Elipsoide de inercia . ( Mecánica ) Elipsoide que se utiliza para describir el movimiento de un cuerpo rígido; está fija en el cuerpo y la distancia de su centro a su superficie en cualquier dirección es inversamente proporcional a la raíz cuadrada del momento de inercia en relación al eje correspondiente. También se conoce como elipsoide de Poinsot. |
| Inertia governor. ( Mechanical Engineering ) A speed-control device utilizing suspended masses that respond to speed changes by reason of their inertia . Regulador de inercia, ( Ingeniería mecánica ) Un dispositivo de control de velocidad que utiliza masas suspendidas que responden a los cambios de velocidad de acuerdo con su inercia . |
| Inertia starter. ( Mechanical Engineering ) A device utilizing inertial principles to start the rotator of an internal combustion engine. Arrancador de inercia, ( Ingeniería mecánica ) Un dispositivo que utiliza el principio de inercia para poner en marcha el elemento rotativo de un motor de combustión interna . |
| Inertia tensor. ( Mechanics ) A tensor associated with a rigid body whose product with the body‘s rotation vector yields the body‘s angular momentum. Tensor de inercia, ( Mecánica ) Tensor relacionado con un cuerpo rígido cuyo producto con el vector de rotación del cuerpo produce el momentum angular del cuerpo. |
| Inertia wave, onda de inercia, ( Mecánica de Fluidos ) 1. Todo movimiento ondulatorio en el que no hay presente otra forma de energía que la cinética; en este sentido general, las ondas de Helmholtz, las perturbaciones barotrópicas, las ondas de Rossby, etc ., son ondas de inercia . 2, De un modo más restringido, es un movimiento ondulatorio en el que el origen de la energía cinética de la perturbación es la rotación del fluido alrededor de un eje dado; en la atmósfera, el origen es un sistema de vientos del oeste, donde las ondas de inercia son, generalmente, estables. |
| Inertia . ( Mechanics ) That property of matter which manifests itself as a resistance to any change in the momentum of a body. Inercia, ( Mecánica ) Propiedad de los cuerpos a cambiar su movimiento, lo cual se manifiesta como una propia resistencia; axis of inertia, eje de inercia; moment of inertia, momento de inercia; vis inertiae, fuerza de inercia . |
| Inertia fuse, espoleta de inercia |
| Inertia -pressure gaging (hydraulics), aforo por procedimiento inercia-presión |
| Inertia reel belt, cinturón de seguridad con bloqueo por inercia |
| Inertia relay, relé de inercia |
| Inertia starter, arrancador de inercia |
| Inertia stress, esfuerzo de inercia |
| Inertia wheel, volante de inercia . |
| Inertial coordinate system, sistema de coordenadas inerciales, ( Mecánica ) See: intertial reference frame (sistema de referencia inercial ) |
| Inertial flow, flujo de inercia, ( Mecánica de los fluidos ) Flujo en el que no se ejercen fuerzas externas sobre un fluido. |
| Inertial force. ( Mechanics ) The fictitious force acting on a body as a result of using a noninertial frame of reference; examples are the centrifugal and Coriolis forces that appear in rotating coordinate systems. Also known as effective force. Fuerza de inercia, ( Mecánica ) Fuerza ficticia actuando sobre un cuerpo como resultado de usar un marco de referencia no inércico; ejemplos de ellos son las fuerzas centrífugas y de Coriolis que aparecen en un sistema de coordenadas rotativas. También se conoce como fuerza efectiva . |
| Inertial instability, inestabilidad de inercia, ( Mecánica de los fluidos ) 1. Generalmente, inestabilidad en la cual la única forma de energía transferida entre el estado estacionario y la perturbación del fluido es energía cinética . 2. Inestabilidad hidrodinámica que se produce en una masa de fluido rotante cuando la distribución de velocidades es tal, que la energía cinética de una perturbación aumenta a expensas de la energía cinética de la rotación. También conocida por inestabilidad dinámica . |
|