English  |
Español  |
| motor ( Refrigeration and HVAC Components - Thermodynamic and Physical Concepts - Measuring Instruments and Control Devices ) |
MOTOR: Máquina rotatoria que transforma energía eléctrica en movimiento mecánico.

Fig. : Clasificación de los motores de corriente alterna (CA) y corriente continua (CC).
- 1. Motores de corriente continua. (DC motors)
- 2. Imán permanente. (Permanent magnet)
- 3. Devanado en serie. (Series wound)
- 4. Devanado en derivación. (Shunt wound)
- 5. Devanado compuesto. (Compound wound)
- 6. Motores de corriente alterna. (AC motors)
- 7. Monofásico. (Single phase)
- 8. Polifásico. (Polyphase)
- 9. Motor universal. (Universal)
- 10. Motor de inducción. (Induction)
- 11. Rotor jaula de ardilla. (Squirrel cage)
- 12. Rotor bobinado. (Wound rotor)
- 13. Motor síncrono. (Synchronous)
- 14. Arranque por fase partida. (Split phase)
- 15. Arranque con capacitor. (Capacitor start)
- 16. Capacitor permanente. (Permanent split capacitor)
- 17. Polo sombreado. (Shaded pole)
- 18. Motor de histéresis. (Hysteresis)
- 19. Motor de reluctancia. (Reluctance)
- 20. Motor de repulsión. (Repulsion)
|
| motor brushes |
Escobillas (carbones) del motor. |
| motor brushes (electric machines, DC motors) |
(escobillas del motor). Contactos eléctricos, generalmente de carbón o grafito, que conducen corriente entre el circuito externo y el conmutador del rotor. |
| motor -compressor burnout ( Refrigeration and HVAC Components - Thermodynamic and Physical Concepts - Measuring Instruments and Control Devices ) |
QUEMADURA DE MOTOCOMPRESOR: Condición en la cual el aislamiento del motor eléctrico se deteriora, debido a un sobrecalentamiento. |
| motor control ( Refrigeration and HVAC Components - Thermodynamic and Physical Concepts - Measuring Instruments and Control Devices ) |
CONTROL DEL MOTOR: Dispositivo operado por presión o temperatura, utilizado para controlar la operación del motor. |
| motor control devices ( industrial electronics – motor control ) |
(dispositivos de control de motores). Conjunto de elementos usados para comandar, proteger y regular motores eléctricos. |
| motor -convertor ( electronics, computer science, nuclear energy ) |
(convertidor en cascada). Combinación, sobre un eje común, de un motor de inducción con una conmutatriz, en la que la corriente de inducido en el rotor del motor alimenta directamente al inducido de la conmutatriz. |
| motor displacement |
Cilindrada del motor |
| motor displacement ( Fluid Power Systems - Actuators and Drives) |
(desplazamiento del motor). Volumen de fluido requerido para una revolución del eje; se expresa en cm3/rev o pulg3/rev. |
| motor drive system (motor control, power electronics) |
(sistema de accionamiento del motor). Conjunto formado por controlador, electrónica de potencia (inversor/puente), sensores y protecciones que regula el arranque, la velocidad, el par y el frenado del motor. |
| motor effect ( electronics, computer science, nuclear energy ) |
(efecto de motor). Fuerza de repulsión que se ejerce entre conductores adyacentes que llevan corrientes circulando en sentido contrario. |
| motor facing |
Motor C-Fase |
| motor flushing valve |
Válvula de descarga del motor |
| motor frame (electric machines, motor construction) |
(carcasa del motor). Estructura externa que protege los componentes internos del motor y mantiene su alineación mecánica. |
| motor -generator set ( electronics, computer science, nuclear energy ) |
(grupo convertidor). Grupo compuesto de un motor eléctrico acoplado mecánicamente a un generador. |
| motor glider |
Planeador con motor. |
| motor grader |
Motoniveladora |
| motor head |
Culata de cilindros |
| motor housing (electric machines, motor construction) |
(carcasa del motor). Estructura externa que protege los componentes internos, aporta rigidez mecánica y ayuda a disipar calor. |
| motor inrush current |
Corriente de irrupción del motor |
| motor magnetic field (Electric machines - DC motors) |
(campo magnético del motor). Campo creado por los devanados de excitación (o imanes) que interactúa con la corriente del inducido para generar fuerza y par de giro. |
| motor mount (engine mount) |
Soporte del motor. |
| motor operated potentiometer |
Potenciómetro operado por motor |
| motor output shaft |
Eje de salida del motor |
| motor rotary group |
Grupo rotatorio del motor |
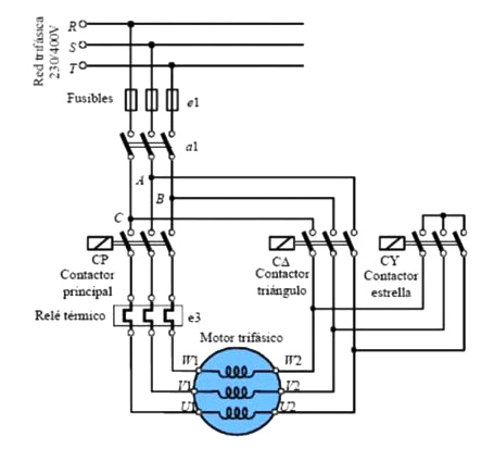
| motor starter (Refrigeration and air conditioning) |
ARRANCADOR DEL MOTOR: Interruptor eléctrico de alta capacidad, normalmente operado por electroimán. (Ver recursos relacionados).


Red trifásica (Three-phase supply)
Fusibles (Fuses)
Contactor principal (Main contactor)
Relé térmico (Thermal overload relay)
Motor trifásico (Three-phase motor)
Contactor triángulo (Delta contactor)
Contactor estrella (Star contactor)
Pulsador de paro (Stop push button)
Pulsador de marcha (Start push button)
Contacto auxiliar (Auxiliary contact)
Temporizador / relé de tiempo (Time relay)
Fase R (Phase R)
El esquema corresponde a un sistema de arranque estrella-triángulo para motor trifásico, compuesto por un circuito de potencia (izquierda) y un circuito de mando o control (derecha).
Su finalidad es reducir la corriente de arranque y el esfuerzo mecánico sobre el motor y la red.
Al presionar el pulsador de marcha, se energiza el contactor principal (CP),
que conecta el motor a la red, y simultáneamente el contactor estrella (CY), que une los extremos
de los devanados formando una conexión en estrella. En esta configuración, cada bobina recibe una tensión menor,
por lo que el motor arranca con corriente reducida y menor par, evitando picos de consumo.
Durante este tiempo actúa un relé temporizado (RT). Al cumplirse el tiempo ajustado, el temporizador
abre el circuito del contactor estrella y cierra el del contactor triángulo (CA). De este modo, el
motor pasa automáticamente a conexión en triángulo, recibiendo la tensión nominal y funcionando a plena potencia.
El relé térmico protege al motor frente a sobrecargas, abriendo el circuito de mando si la corriente
supera el valor permitido. El pulsador de paro interrumpe el circuito de control, desenergizando todos
los contactores y deteniendo el motor.
En conjunto, este sistema permite un arranque suave, disminuye el calentamiento, reduce caídas de
tensión en la red y prolonga la vida útil del motor y de los componentes eléctricos.
|
| motor torque (electrical engineering, electric machines) |
(par motor). Fuerza de rotación generada por la interacción entre el campo magnético del estator y las corrientes inducidas en el rotor, responsable del movimiento del eje del motor. |
| motor torque (Power Electronics and Drives) |
(par motor). Magnitud que representa la capacidad del motor para producir giro bajo carga. |
| motor -torque regulator ( electronics, computer science, nuclear energy ) |
(regulador del par). Dispositivo electrónico para controlar un motor de manera que provea un par constante, independiente de la velocidad. |