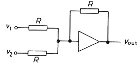
| Operational amplifier, Op amp, amplificador operacional, (Electrónica - Electronics ), Un amplificador integrado de acoplo directo de elevada ganancia, con circuitos externos diseñados para realizar una operación aritmética o matemática determinada . El circuito externo proporciona normalmente una realimentación completa, adecuada a la función requerida . Por ejemplo, en la figura siguiente :
Fig. Amplificador operacional usado como amplificador sumador. en que todas las resistencias son iguales, la salida del amplificador es igual a la suma de las dos señales de entrada . El amplificador operacional se emplea aquí como un amplificador sumador. Este tipo de amplificadores es muy utilizado en computadores analógicos y en instrumentación industrial, donde es usado como comparador de parámetros de medición
Los amplificadores operacionales (Op amp; Operational amplifier) son los bloques de construcción básicos para una gran parte del diseño de circuitos lineales (linear circuit design). Probablemente usted aprendió sobre ellos en la universidad (college) e incluso diseñó algunos productos que contienen un amplificador operacional. Como ingeniero electrónico (electronic engineer), en algún momento de su carrera probablemente necesitará diseñar un circuito lineal (linear circuit).
Si usted no es un diseñador avanzado de circuitos lineales o analógicos (advanced linear or analog circuit designer), quizás la mejor manera de satisfacer sus necesidades de diseño lineal es utilizar un amplificador operacional. Estos circuitos integrados (ICs) están ampliamente disponibles (available), son económicos (inexpensive) y se pueden configurar de cientos, si no miles, de formas para satisfacer la mayoría de los requisitos lineales (linear requirements). A continuación, se incluye un resumen y una actualización de estos dispositivos versátiles (versatile devices).
Antecedentes (Background)
El amplificador operacional IC moderno (modern IC op amp) se deriva de diseños de válvulas de vacío más antiguos (older vacuum-tube designs) utilizados en computadoras analógicas (analog computers). Las computadoras analógicas se programaron (were programmed) configurando amplificadores operacionales de múltiples formas para implementar diferentes funciones matemáticas (math functions) (sumador (summer), integrador (integrator), etc.). Luego los conectó para simular el sistema que está diseñando.
Luego, aparecieron los amplificadores operacionales de transistores (transistor op amps). Los amplificadores operacionales de CI (IC op amps) surgieron a finales de la década de 1960 y principios de la del 1970. La popularidad del amplificador operacional creció significativamente. Hoy en día, hay cientos de tipos y variaciones disponibles para casi cualquier diseño lineal.
Este artículo explica el funcionamiento básico de los amplificadores operacionales de realimentación en voltaje de propósito general (general-purpose, voltage-feedback operational amplifiers). Además, señala algunas cosas especiales para buscar en amplificadores operacionales de alta velocidad (high-speed op amps).
Un amplificador operacional es un amplificador diferencial de corriente continua (direct-current differential amplifier) que presenta una ganancia muy alta (very high gain), una impedancia de entrada alta (high input impedance) y una impedancia de salida muy baja (very low output impedance). Al agregar componentes de entrada y realimentación seleccionados (selected feedback and input components), puede hacer que el amplificador operacional realice una cantidad increíble de funciones básicas de circuito.
La Figura 1 muestra el conocido símbolo esquemático (schematic symbol) del amplificador operacional. Los signos + y - identifican las entradas inversoras y no inversoras (non-inverting and inverting inputs), respectivamente. El VO de salida es una función de las entradas (inputs) y la ganancia de lazo abierto (open-loop gain) (AOL). El AOL es de al menos 100K y los valores superiores a 1M son comunes. La ganancia se expresa normalmente en dB, como 120 dB que se traduce en 1 M.

Figura 1. Se muestra el símbolo esquemático (schematic symbol) estándar del amplificador operacional.
La salida se puede determinar con la expresión:
VO = (V2 - V1) AOL
Los amplificadores operacionales generalmente se alimentan (usually powered) de dos maneras: con una fuente de voltaje dual ± tradicional (dual ± voltage supply) o una fuente única (single supply) (Fig. 2). El suministro dual permite que la salida oscile (output swing) tanto en positivo como en negativo. El suministro único polariza (single supply biases) una entrada para establecer (set) la salida a medio camino entre el suministro positivo (positive supply) y tierra (ground). El acoplamiento capacitivo (capacitive coupling) en la entrada y salida se encarga de cualquier componente de corriente continua no deseado.

Figura 2. Alimentación de un amplificador operacional: conexiones de alimentación de CC de alimentación doble estándar (a) y conexiones de CC de alimentación única (b).
Los voltajes de suministro (supply voltages), por supuesto, definen los límites de la oscilación del voltaje de salida. Con diseños bipolares (bipolar designs), la salida es generalmente un voltio menos que los voltajes de suministro. En los diseños CMOS, la salida puede tener valores dentro de los milivoltios de los voltajes de suministro.
No es común usar el amplificador operacional de la Figura 1 en un circuito abierto (open loop). Incluso con pequeños voltajes de entrada, el amplificador normalmente se satura (saturates) en uno de los dos límites de voltaje de salida. Por ejemplo, un amplificador operacional bipolar (bipolar op amp) tiene suministros duales de 12 V. La variación máxima del voltaje de salida (maximum output-voltage swing) es ± 10,5 V. Ahora suponga que V1 es -1,5 V y V2 es -1,2 V. Suponga un AOL de 200 K. La salida es:
VO = [(-1.2) – (-1.5)] 200,000 = (.3)200,000 = 60,000 V
Esto es imposible, por supuesto, por lo que la salida simplemente llega al nivel más positivo posible (most positive level possible) o +10,5 V.
Circuitos básicos (Basic Circuits)
La Figura 3 muestra los circuitos de amplificador operacional más utilizados. La realimentación (feedback) esencialmente hace que el circuito sea mayormente independiente de la ganancia de bucle abierto del amplificador operacional (op-amp open-loop gain) y otros factores. Los componentes externos definen esencialmente el funcionamiento del circuito. Probablemente usted ya esté familiarizado con estos circuitos, ya que utilizó alguna variación en su propio trabajo.

Figura 3: Estas son las cuatro configuraciones más comunes del amplificador operacional, en las que solo las resistencias externas, los condensadores y otras partes determinan la naturaleza del procesamiento de la señal (signal processing).
Tenga en cuenta que es posible que deba considerar otras especificaciones de amplificador operacional (op-amp specifications) en su diseño. Estos incluyen voltaje de compensación de entrada (input offset voltage) y corriente, rechazo de modo común (common-mode rejection), corte de frecuencia de ganancia unitaria (unity gain frequency cutoff), ruido (noise) y la máxima razón de cambio del voltaje de salida al seguir variaciones rápidas de la señal de entrada (slew rate). Algunas de estas especificaciones a menudo se pueden ignorar porque son muy bajas y mínimamente invasivas.
Tres problemas comunes (common issues) al diseñar con amplificadores operacionales de alta velocidad (High-Speed Op Amps)
Los amplificadores operacionales tienen una especificación de ancho de banda de ganancia fija (fixed gain-bandwidth) (GBW), que define la respuesta de frecuencia (frequency response) del dispositivo. La figura 4 muestra un ejemplo. Tenga en cuenta que el circuito amplifica corriente continua (circuit amplifies dc) ; la caída de CA (ac roll-off) suele ser de 20 dB / década. La respuesta de frecuencia máxima posible se logra con una ganancia unitaria (unity gain) (0 dB). Suponga un GBW de 1000 MHz. Si usted fija la ganancia (gain) en 100, la frecuencia de corte (cutoff frequency) es de 10 MHz.

Figura 4. Esta curva de ganancia - ancho de banda (gain-bandwidth curve) es típica de la mayoría de los amplificadores operacionales básicos.
Los amplificadores operacionales de alta velocidad (High-speed op amps) se definen comúnmente como un amplificador operacional con un ancho de banda de ganancia (gain bandwidth) de 50 MHz o más. ¿Cuáles son las reglas o protocolos (rules or protocols) para trabajar con un amplificador de alta velocidad?
1. Algunos amplificadores operacionales de alta velocidad tienen una especificación de ganancia mínima (minimum gain specification). ¿Por qué?
Dichos amplificadores operacionales que se dice que están descompensados (decompensated) tienen un segundo polo en la curva de respuesta (response curve) por encima de 0 dB. Como resultado, es necesaria una ganancia mínima (minimum gain) para asegurar la estabilidad del amplificador (amplifier stability).
2. ¿Qué son los amplificadores de corriente (current amplifiers)?
Estos amplificadores utilizan realimentación de corriente (current feedback) en lugar de realimentación de voltaje (voltage feedback) como en la mayoría de las configuraciones de amplificador operacional comunes. El principal beneficio de usar un amplificador operacional de corriente es que el ancho de banda (bandwidth) no depende de la ganancia (gain).
3. ¿Por qué oscilan (oscillate) los amplificadores operacionales de alta velocidad cuando los utilizo en la placa de pruebas (breadboard)?
Es causado por demasiada capacitancia e inductancia parásitas (stray capacitance and inductance) que resulta en realimentación no deseada (unwanted feedback). Este problema generalmente se puede solucionar con uno o más de los siguientes pasos:
Mantenga todos los cables de los componentes (component leads) y los cables de conexión (connecting wires) lo más cortos posible. Reduzca la longitud (length) de todos los cables de interconexión (interconnecting wires) y conductores de componentes (component leads).
En plaquetas de circuito impreso (PCBs), reduzca longitud de trazos.
Reduzca los parásitos (parasitics) mejorando el enrutamiento de la señal (signal-path routing); minimizar el uso de los orificios que conectan capas o pistas conocidos como vías.
Utilice planos de tierra (ground planes) pero retire el cobre (copper) debajo de las entradas y salidas.
Utilice muchos condensadores de derivación (bypass capacitors) y manténgalos cerca de los circuitos integrados (ICs). |