| Peaker, crestador |
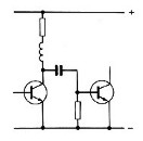
| Peaking circuit or network, circuito apuntador (o red), circuito crestador. (Electrónica - Electronics ), Un circuito de acoplo en un amplificador de impulsos o de vídeo, constituido por una bobina serie o paralelo que resuena con la capacidad parásita para mejorar la respuesta en frecuencia en el límite superior de la banda de paso. La figura siguiente muestra un ejemplo de un circuito apuntador con bobina en paralelo.

Fig. Un circuito de picos que incorpora una resistencia puente. |
| Peaking coil, bobina crestadora |
| Peaking control, control de cresta |
| Peaking transformer, transformador apuntador |
| Peaking, apuntamiento |
| Peaks, crestas |
| Pean, punta de martillo |
| Peanut oil, aceite de cacahuete |
Peanut, cacahuete  |
| Pearl diver, buceador de perlas, pescador de perlas |
| Pearl fisher, pescador de perlas |
| Pearled, concentrado a punto de perla . |
| Pearler, bote para la pesca de perlas |
| Pearlite, perlita . |
| Pearlitic alloy, aleación perlítica |
| Pearlitic steel, acero perilítico |
| Pearlitic, perlítico |
| Pearloid, perloide |
| Peat bog, turbera |
| Peat moss, turbera |
Peat, turba  |
| Peaty, con sabor a humo de turba . |
| Pebble bed storage capacity, capacidad de acumulación de un lecho de piedras. |
| Pebble bed, lecho de piedras. |
| Pebble mill. ( Mechanical Engineering ) A solids size-reduction device with a cylindrical or conical shell rotating on a horizontal axis, and with a grinding medium such as balls of flint, steel, or porcelain. Molino de guijarros, ( Ingeniería mecánica ) Un dispositivo para reducción de tamaño de sólidos provisto de un armazón giratorio, cilíndrico o cónico, sobre un eje horizontal, y conteniendo el medio triturador, tal como: bolas de sílex, acero o porcelana . |
| Pebble nuclear reactor, reactor nuclear con lecho de quijarros |
| Pebble powder, pólvora de grano grueso |
| Pebble size, tamaño de piedras. |
| Pebble work, empedrado |
Pebble, guijarro, piedra; crystal pebble, falso cristal.  |
| Pebbled, guijarroso. |
| Peck. ( Mechanics ) Abbreviated pk. 1. A unit of volume used in the United States for measurement of solid substances, equal to 8 dry quarts, or 1/4 bushel, or 537.605 cubic inches, or 0.00880976754172 cubic meter. 2. A unit of volume used in the United Kingdom for measurement of solid and liquid substances, although usually the former, equal to 2 gallons, or 0.00909218 cubic meter. Celemin. ( Mecánica ) Su abreviatura es pk. 1. Un¡dad de volumen utilizada en Estados Unidos para medir sustancias sólidas, equivale a 8 cuartos de galón, o l/4 de fanega, ó 537.605 pulgadas cúbicas, ó 0.00880976754172 metros cúbicos. 2. Unidad de volumen utilizada en el Reino Unido para medir sólidos y líquidos, si bien usualmente sirve para los primeros, equivale a 2 galones, o aproximadamente 0.00909218 metros cúbicos . |
| Pedal crank, manivela de pedal. |
Pedal. A lever operated by foot. Pedal ( Ingeniería de diseño ) Palanca accionada con el pie ; accelerator pedal, pedal del acelerador (auto); brake pedal, pedal de freno; clutch pedal, pedal de embrague; ruddor pedals, pedales del gobierno del timón de dirección.  |
|
| Pedestal bearing, cojinete ordinario |
| Pedestal level, nivel de pedestal |
Pedestal, asiento, fulcro, portacojinete, soporte, zócalo, pedestal, caballete (Electrónica - Electronics), En general, un pulso con un nivel superior que se utiliza como base para otro pulso. En TV, la diferencia entre el nivel de negro y el de borrado. Normalmente se expresa corno porcentaje de la diferencia entre el nivel de blanco y el de borrado ; angle pedestal bearing, cojinete oblicuo, soporte ordinario; jet pedestal, soporte de turborreactor  |
| Pedocalcic, pedocálcico |
Peel, cáscara; orange peel automatic bucket, cuchara de valvas mordientes en cuartos de cáscara de naranja  |
| Peeling, batidura, escama |
| Peen. ( Design Engineering ) The end of a hammer head with a hemispherical, wedge, or other shape; used to bend, indent, or cut. ( Ingeniería de diseño ) Extremo de una cabeza de martillo de forma semiesférica, de cuña, etc . se utiliza para doblar, mellar o cortar; punta de martillo ; to peen, granallar; peña |
| Peening, apriete, engarce, granallado, martillado, golpeo con la punta del martillo; shot peening, granallado |
| Peep -hole, mirilla |
| Peep -sight, alza de ranura, mira dióptrica . |
Peep, clavija  |
| Peer -to-peer communications, comunicaciones par a par ( Informática y Computación ) Comunicaciones en las que ambos extremos tienen la misma responsabilidad para iniciar la sesión. Compárese con master-slave communications |
| Peer -to-peer network, red de par a par ( Informática y Computación ) Red de área local que permite que todos los usuarios tengan acceso a los datos en todas las estaciones de trabajo. No se requieren de archivo dedicados, pero pueden utilizarse |
| Peg hole, mortaja |
| Peg ladder, escalera de gato |
| Peg spanner, llave de clavija |
| Peg together, ( Machines and Mechanisms - Máquinas y mecanismos ) enchavetar |
Peg, ( Carpentry - Carpintería ) estaquilla, clavija, clavija de roble, espiga, pasador de madera, taco, tope, mecha, pernete, sobina, claveta, saetín ; to peg , enclavijar, estaquillar, espigar, enclavijar, atarugar  |
| Pegging, enclavijado |
| Peggy, (Naval terminology - Terminología naval ) marinero encargado de limpiar el comedor |
| Pel, ( Informática y Computación ) lo mismo que pixel |
| Pelagian, (Oceanography - Oceanografía ) pelágico, oceánico |
| Pellet film resistor, resistencia de película |
| Pellet mill. ( Mechanical Engineering ) Device for injecting particulate, granular or pasty feed into holes of a roller, then compacting the feed into a continuous solid rod to be cut off by a knife at the periphery of the roller. Molino para gránulos, ( Ingeniería mecánica ) Mecanismo para inyectar partículas, gránulos o pastas dentro de un rodillo agujereado, donde son comprimidas y forman una varilla a la salida que es cortada mediante unas cuchillas colocadas en la misma periferia del rodillo |
| Pellet powder, pólvora de granos cilíndricos |
| Pellet resistor, resistor de píldora |
Pellet, bolita, pastilla, píldora, pellet  |
| Pelletier's phosphorous acid, acido hipofosfórico |
| Pelletization, nodulización (siderurgia), operación de reducción a bolas pequeñas |
| Pelletize ( to ), nodulizar, reducir a pequeñas bolas |
| Pelletized, nodulizado, reducido a pequeñas bolas |
| Pelorus, alidada de reflexión; (Naval terminology - Terminología naval ) taxímetro de marcar |
| Peltier coefficient, coeficiente de Peltier. |
| Peltier effect, efecto Peltier (Electrónica - Electronics ). Cuando una corriente eléctrica atraviesa la unión de dos metales diferentes, la temperatura en ella aumenta o disminuye, dependiendo de la dirección de la corriente. El calor que se genera o se pierde en la unión es proporcional a la corriente. |
| Peltier heat, calor de Peltier |
|