| Parallel rod oscillator, oscilador de varillas paralelas |
| Parallel rod, biela del paralelogramo |
| Parallel rules, (Naval terminology - Terminología naval ) reglas paralelas, reglas transportadoras |
| Parallel running, marcha en paralelo, funcionamiento en paralelo |
| Parallel sailing, (Naval terminology - Terminología naval ) navegación por paralelo |
| Parallel storage (access), memoria paralelo (acceso) (Electrónica - Electronics ), Memoria en la que todos los bits de una palabra binaria se almacenan simultáneamente. Ver también : memoria serie. |
| Parallel system, sistema de conexión en paralelo |
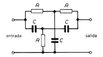
| Parallel T-network, red T en paralelo (Electrónica - Electronics ), Un circuito constituido por dos redes en T dispuestas en paralelo, como muestra la figura a continuación .

Fig. Red en T paralelo, usada como filtro RC.
Se usa a menudo como filtro RC y es capaz de proporcionar una atenuación infinita a una determinada frecuencia, que depende de los valores de R y C. |
| Parallel transfer, transferencia en paralelo |
| Parallel transmission, transmisión paralelo (Electrónica - Electronics ), Transmisión simultánea de los elementos de una señal a través de canales separados. Ver también : transmisión serie; transmisión en paralelo ( Informática y Computación ) Transmitir datos en múltiples líneas, uno o más bytes a la vez. Adviértase la diferencia con serial transmission. |
| Parallel triggered blocking oscillator, oscilador de bloqueo disparado en paralelo |
| Parallel two terminal pair networks, redes de dos pares de terminales en paralelo |
| Parallel wire line, líneas de alambres paralelos |
| Parallel wire resonator, resonador de hilos paralelos |
| Parallel working, ( Machines and Mechanisms - Máquinas y mecanismos ) funcionamiento en paralelo |
| Parallel, paralelo; series parallel winding, devanado mixto; to parallel, ( Electricity - Electricidad ) poner en paralelo ; to run parallel, ser paralelo a . |
| Paralleling, puesta en paralelo (electricidad). |
| Parallelism, paralelismo. |
| Parallelogram of forces, paralelogramo de fuerzas |
| Parallelogram of velocities, paralelogramo de velocidades |
| Parallelogram of Watt, paralelogramo de Watt |
| Parallelogram, paralelogramo. |
| Parallelopiped, paralelepípedo. |
| Parallelopipedic, paralelopipédico. |
| Parallely, paralelamente. |
|
| Paralysis, parálisis (Electrónica - Electronics). Efecto debido a la aplicación de una señal de entrada de gran amplitud a un tubo electrónico amplificador, que origina el corte del tubo, volviéndolo ineficaz durante un corto intervalo de tiempo. La señal genera una corriente de rejilla que carga los condensadores de acoplo entre terminales del tubo, a una tensión (estando la placa negativa conectada a la rejilla) lo suficientemente grande corno para polarizar al tubo por encima de la corriente de ánodo de corte. El estado de parálisis permanece hasta que los condensadores se descarguen a través de la resistencia de rejilla lo suficiente como para que pueda haber de nuevo corriente de ánodo. Este efecto se utilizaba en los osciladores de bloqueo. |
| Paramagnetic amplifier, amplificador paramagnético |
| Paramagnetic anisotropy, anisotropía paramagnética |
| Paramagnetic resonance, resonancia paramagnética |
| Paramagnetic susceptibility, susceptibilidad paramagnética |
| Paramagnetic, paramagnético; electronic paramagnetic resonance, resonancia paramagnética electrónica . |
Paramagnetism, paramagnetismo (Electrónica - Electronics), Una propiedad de ciertos materiales, en los que, al someterlos a un campo rnagnetizante, aparece un magnetismo inducido que refuerza la acción del campo externo. Estos materiales son atraídos muy débilmente por un polo magnético y su permeabilidad efectiva es ligeramente mayor que la unidad, siendo prácticamente indepediente del campo magnetizante. Ver también : diamagnetismo, ferromagnetismo  |
| Paramedic, sanitario adiestrado en lanzarse con paracaídas. |
| Parameter, parámetro (Electrónica - Electronics). Estrictamente, una variable utilizada para expresar el comportamiento de un dispositivo activo o red, que permanece constante mientras se estudian las relaciones entre otras variables. Por ejemplo, las características Ic-Vc de un transistor bipolar, se representan normalmente como una familia de curvas, cada una de ellas para un valor diferente de la corriente de base, que es, por lo tanto, un parámetro. El término se utiliza libremente para denominar cualquier variable que exprese un comportamiento eléctrico. Por ejemplo, la impedancia iterativa y la frecuencia de corte, se denominan parámetros de una red ; parámetro ( Informática y Computación ) Cualquier valor que se suministre a un programa o rutina con el fin de modificarlo. Algunas veces el software se escribe para aceptar direcciones opcionales, que se introducen en la línea de comando con el nombre del programa cuando éste se carga . Algunos ejemplos son nombres de archivo, coordenadas, códigos específicos, etc . See: switch ; transistor hybrid parameters, parámetros hibridos del transistor. |
| Parameters, parámetros |
| Parametric amplifier or converter, amplificador paramétrico o conversor, (Electrónica - Electronics ), Un amplificador (o conversor) que para su funcionamiento depende de un dispositivo, uno de cuyos parámetros se varía (bombea) sinusoidalmente a la frecuencia deseada . Este parámetro es a menudo la reactancia de un dispositivo semiconductor tal como un varactor, usándose este tipo de amplificadores en amplificación de RF a frecuencias de microondas, donde pueden obtener una buena relación señal-ruido. |
| Parametric equalizer, ecualizador paramétrico |
| Parametric frequency converter, conversor de frecuencia paramétrica |
| Parametric modulator, modulador paramétrico |
| Parametric multiplier modulator, modulador multiplicador paramétrico |
| Parametric oscillator, oscilador paramétrico |
| Parametric phase locked oscillator, oscilador paramétrico con enganche de fase |
| Parametric, paramétric |
| Parametrization, parametrización |
| Parametron, parametrón |
| Paramp, paramp |
| Parapamp, amplificador paramétrico. |
|